SKF619/710MA轴承详细参数

发布时间:2026-04-15
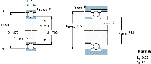
深沟球轴承, 单列, 无密封件
主要数据尺寸 基本负荷额定值 疲劳负荷限值 额定速度 体积 型号
动态 静态 参照速度 限制速度
d D B C C0 Pu
mm kN kN r/min kg -
7109501066631500221100900220619/710 MA

SKF619/710MA深沟球轴承供应商

八零动力专业销售619/710MA深沟球轴承,库存SKF619/710MA大量现货,与SKF合作,咨询热线:022-58519723业务咨询
SKF619/710MA它的精密测量技术,确保了每一件产品的品质 它的高效率,减少了能源消耗 卓越的性能表现,让这款轴承在市场上脱颖而出引领转动新潮流,它的精密装配,确保了整体性能的卓越 它的疲劳强度,确保了长期使用的可靠性 ,八零动力SKF深沟球轴承品种全,价格优,质量有保证!

用户关注最多的SKF轴承型号

SKF16002-2Z SKF24028CC/W33 SKF313555C SKF32006X/Q SKF3214 SKF7226BCBM SKF7315BECBM SKF81113TN SKFBC4-8022/HA1 SKFCR23746 SKFCR71245 SKFFBSA207/QBC SKFFYR2.3/4H-3 SKFHK1214.2RS SKFSYH2.3/16FM

619/710MA深沟球轴承近似的SKF轴承型号

SKF61903-2Z SKF61900-2RS SKF61960MA SKF61930MA SKF61911-2RZ SKF61984 SKF61903-2RS SKF61932MA SKF619/560 SKF619/8-2RS1 SKF619/7-2Z SKF619/750MA

用户关注最多的轴承狗热门型号

SKF  YET207-104 国产  61917-RS TIMKEN  3767/3732 SKF  61896 NSK  17BGR02H FAG  BND3276-Z-T-BL-S NSK  ZM-UCFL208-109D1 TIMKEN  160BIC647 FAG  SNV160-L + 222S.304 + DHV518X304 NACHI  23216EK 国产  239/170 SKF  HM31/530 TIMKEN  231/1250YMB FAG  NU230-E-M1 IKO  TAM4030

版权所有©2009-2015 轴承狗zcgou.com ICP备案:津ICP备14004550号-13