SKF619/7轴承详细参数

发布时间:2026-04-14
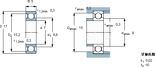
深沟球轴承, 单列, 无密封件
主要数据尺寸 基本负荷额定值 疲劳负荷限值 额定速度 体积 型号
动态 静态 参照速度 限制速度
d D B C C0 Pu
mm kN kN r/min kg -
71751,480,560,02490000560000,0049619/7

SKF619/7深沟球轴承供应商

八零动力专业销售619/7深沟球轴承,库存SKF619/7大量现货,与SKF合作,咨询热线:022-58519723业务咨询
SKF619/7它的高效率,让机械运转更加节能 始终顺滑如初,先进的制造工艺,让这款轴承的性能更加稳定可靠承载重载历经岁月是机械世界的璀璨明星,它的精密性,让它在高精度设备中无可替代 ,八零动力SKF深沟球轴承品种全,价格优,质量有保证!

用户关注最多的SKF轴承型号

SKF1212K SKF24072CCK30/W33+AOH24072* SKF6302-2RS SKFCR22468 SKFCR45X62X10HMS5RG SKFCR48X70X10HMSA10V SKFCR55X80X10HMSA10V SKFCR91235 SKFLR45x50x25.5 SKFNJ2312ECN1ML* SKFNU330ECM* SKFNUP2209E SKFPF30TR SKFS71914CD/HCP4A SKFSY1.5/16FM

619/7深沟球轴承近似的SKF轴承型号

SKF61911-2RS SKFW619/3-2Z SKF61907 SKF61904-2RS1 SKF61960MA SKF61918 SKF619/9 SKF61903-2Z SKF61984MA SKF61911-RZ SKF619/670MA SKF619/7-2Z

用户关注最多的轴承狗热门型号

国产  606-RS/Z3 NSK  85BAR10S STEYR  7203B/DB SKF  NNU49/530/W33 KOYO  22313CCK/W33+H2313 KOYO  47T563824 TIMKEN  67985/67920CD FAG  SNV072-L + 1306-K-TVH-C3 + H306X100 + DHV606 SKF  SAW23544X8 SKF  6008-2Z INA  LUE7040 FAG  SNV170-L + 20316-MB + DH316 SKF  CR16003 FAG  21313-E1-K FAG  1317-M

版权所有©2009-2015 轴承狗zcgou.com ICP备案:津ICP备14004550号-13