SKF619/5轴承详细参数

发布时间:2026-04-14
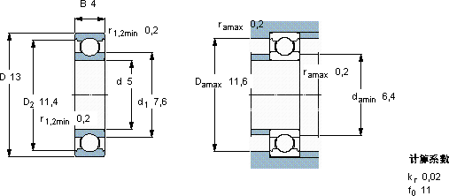
深沟球轴承, 单列, 无密封件
主要数据尺寸 基本负荷额定值 疲劳负荷限值 额定速度 体积 型号
动态 静态 参照速度 限制速度
d D B C C0 Pu
mm kN kN r/min kg -
51340,8840,340,014110000670000,0025619/5

SKF619/5深沟球轴承供应商

八零动力专业销售619/5深沟球轴承,库存SKF619/5大量现货,与SKF合作,咨询热线:022-58519723业务咨询
SKF619/5制造工艺精湛,使得这款轴承在运转时更加顺畅平稳它的材质选择,体现了对品质的极致追求 精湛的制造工艺赋予了这款轴承卓越的性能和品质 它的承载能力,堪称机械界的“大力士” 它在风力发电中的应用,为清洁能源贡献力量 我们的轴承卓越的性能,八零动力SKF深沟球轴承品种全,价格优,质量有保证!

用户关注最多的SKF轴承型号

SKF313639A/VJ202 SKFC4188K30MB+AOH24188* SKFCR45X68X10HMSA10RG SKFCR63x85x8CRW1R SKFCR97X120X13CRSH11R SKFCR99094 SKFE2.6200-2Z/C3 SKFFSYE3.15/16H-3 SKFGEC500FBAS SKFH2334 SKFNJ2311E+HJ2311E SKFP1.3/4RM SKFPWTR17.2RS SKFSAF22220 SKFSYH1.7/16RM

619/5深沟球轴承近似的SKF轴承型号

SKF619/750MA SKF61924 SKF61914-2RZ SKFW61902 SKF61911-2RZ SKFW619/9-2Z SKF61992 SKFW619/3-2Z SKF61928MA SKF619/4-2Z SKF619/4-2Z SKF619/5-2Z

用户关注最多的轴承狗热门型号

NACHI  82576/82950 TIMKEN  95528/95927CD+X1S-95525 SKF  319438DA-2LS NTN  UC321 NSK  RNA6919 RIV  NU309 MRC  QJ212 FAG  BND3072-H-W-T-BL-S KOYO  31316 INA  PAP1615-P10 FAG  7208-B-TVP TORRINGTON&FAFNIR  61906-2Z ZKL  NU309 KOYO  30330 MRC  6009N

版权所有©2009-2015 轴承狗zcgou.com ICP备案:津ICP备14004550号-13