SKF61938MA轴承详细参数

发布时间:2026-04-15
深沟球轴承, 单列, 无密封件
主要数据尺寸 基本负荷额定值 疲劳负荷限值 额定速度 体积 型号
动态 静态 参照速度 限制速度
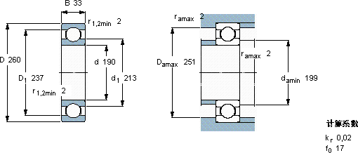
d D B C C0 Pu
mm kN kN r/min kg -
190260331171343,8500043005,2561938 MA

SKF61938MA深沟球轴承供应商

八零动力专业销售61938MA深沟球轴承,库存SKF61938MA大量现货,与SKF合作,咨询热线:022-58519723业务咨询
SKF61938MA它在包装机械中的应用,确保了设备的高效率 它的密封性能,减少了润滑剂的泄漏 性能卓越的它,为机械设备的稳定运行提供了可靠保障高精度的制造工艺,造就了这款高品质的轴承是您值得信赖的工业伙伴,为您的机械保驾护航卓越的性能表现,使这款轴承在市场上拥有良好的口碑,八零动力SKF深沟球轴承品种全,价格优,质量有保证!

用户关注最多的SKF轴承型号

SKF2210K+H310 SKF3314A* SKF61909 SKF6203-2RSL* SKF6206-2ZN SKF7238B/DT SKF7312BEGAP* SKFCR28X38X8HMS5RG SKFCR13911 SKFCR32X52X7HMS5RG SKFCR48X72X10HMS5V SKFHE216 SKFNJ2240ECMA* SKFNKI5/16TN SKFNU2224ECKML*

61938MA深沟球轴承近似的SKF轴承型号

SKF61938MA SKF61938MA SKF61938 SKF61938MA SKF619/4

用户关注最多的轴承狗热门型号

TIMKEN  EE128111/128160 KOYO  24032RHK30+AH24032 LYC  440KBE031G4+L FYH  UK320+H2320 STEYR  NJ321 FAG  BND3156-H-W-Y-AF-S SKF  315040 KOYO  22314CC/W33 NSK  NJ313ET 国产  628/2-Z SKF  6203N NACHI  NJ2307 NSK  N417 KOYO  170FC118850B FAG  SNV062-L + 2206-K-TVH-C3 + H306X014 + TSV506X014

版权所有©2009-2015 轴承狗zcgou.com ICP备案:津ICP备14004550号-13