SKF618/9轴承详细参数

发布时间:2026-05-31
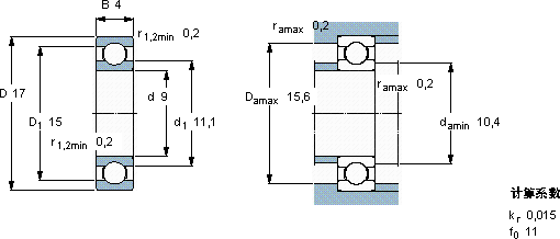
深沟球轴承, 单列, 无密封件
主要数据尺寸 基本负荷额定值 疲劳负荷限值 额定速度 体积 型号
动态 静态 参照速度 限制速度
d D B C C0 Pu
mm kN kN r/min kg -
91741,430,640,02785000530000,0034618/9

SKF618/9深沟球轴承供应商

八零动力专业销售618/9深沟球轴承,库存SKF618/9大量现货,与SKF合作,咨询热线:022-58519723业务咨询
SKF618/9性能优越的轴承,极大地提高了设备的工作效率和稳定性让您的机械如虎添翼,制造工艺精湛,使得这款轴承的精度、稳定性和耐用性都非常出色设计合理、性能优良的它,是机械设备稳定运行的重要保障设计合理、性能优良的轴承,是机械设备的理想之选设计合理、性能优良的它,是机械设备实现高效运行的重要保障,八零动力SKF深沟球轴承品种全,价格优,质量有保证!

用户关注最多的SKF轴承型号

SKF24152CC/W33 SKF308-2Z SKF3315A* SKF53416 SKF6034M SKF6307-2Z/VA208 SKFCR16657 SKFCR405803 SKFCR409003 SKFCR65x100x8CRW1R SKFN407 SKFNJ312E SKFNKI10/16 SKFNU2318ECJ* SKFSYH2.7/16RM

618/9深沟球轴承近似的SKF轴承型号

SKF61818 SKF61800-2RS SKF61811-RS SKFW61800-2Z SKF618/1180MA SKF61868MA SKF618/900MA SKF61815-2RS SKF61876 SKF618/750MA SKF618/850MA SKF618/900MA

用户关注最多的轴承狗热门型号

SKF  BC4B457939VAA KOYO  NU205R FAG  SNV140-L + 2216-K-TVH-C3 + H316X214 + TCV516X214 STEYR  NU308 INA  RUS19069-KS INA  LTS40-2505 TIMKEN  2585/2523 国产  NTN  6201 KOYO  31307 SKF  HE318 SKF  HK2020 FAG  SNV080-L + 2307-K-TVH-C3 + H2307X102 + DHV607X102 国产  NU2324EM/YA1 IKO  POS22

版权所有©2009-2015 轴承狗zcgou.com ICP备案:津ICP备14004550号-13