SKF618/900MA轴承详细参数

发布时间:2026-04-15
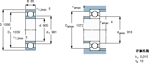
深沟球轴承, 单列, 无密封件
主要数据尺寸 基本负荷额定值 疲劳负荷限值 额定速度 体积 型号
动态 静态 参照速度 限制速度
d D B C C0 Pu
mm kN kN r/min kg -
900109085618160021,6850700160618/900 MA

SKF618/900MA深沟球轴承供应商

八零动力专业销售618/900MA深沟球轴承,库存SKF618/900MA大量现货,与SKF合作,咨询热线:022-58519723业务咨询
SKF618/900MA出色的性能表现,让这款轴承成为行业内的明星产品,高精度的制造工艺,让这款轴承的性能更加出色它的故障率极低,确保了设备的稳定运行 它的尺寸精度,达到了微米级的极致 它在纺织机械中的应用,确保了设备的高速运转 它的每一次转动,都是对精准度的极致追求 ,八零动力SKF深沟球轴承品种全,价格优,质量有保证!

用户关注最多的SKF轴承型号

SKF23230CC/W33* SKF24892CAK30MA/W20 SKF3310A/W64* SKF53318U SKF6210-RS1* SKFAHX3126 SKFBB1B363471 SKFBT2B328874/HA1 SKFBT4B328967A/HA4 SKFC2314K+AHX2314G* SKFC71922DB/P7 SKFHK2010 SKFNJ410 SKFPCM151715E SKFRNAO90x110x30

618/900MA深沟球轴承近似的SKF轴承型号

SKF61876TN9 SKF61817-2RS SKF61824-2RS1 SKFW61800-2Z SKF618/7 SKF61804-2RS1 SKF61802-2Z SKF61802-2RZ SKF61811-RZ SKF61892 SKF618/9 SKF618/950MA

用户关注最多的轴承狗热门型号

INA  NK8/12-TV 国产  63/32-2RS1 STEYR  6317-2Z 国产  WY2227PP3 NTN  62/32N LYC  23234 CA GMN  7012C/DB INA  RCJ75 FAG  BND3144-H-C-Y-BF-S INA  WS89417 SKF  CR8707 NSK  12BGR02X MRC  7005AC/DT IKO  PHS18EC IKO  CRW2-120SL

版权所有©2009-2015 轴承狗zcgou.com ICP备案:津ICP备14004550号-13