
SKF61807-2RZ轴承详细参数
发布时间:2026-05-30
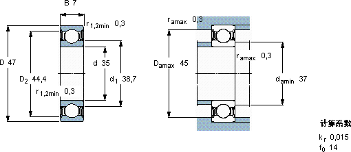
| | | | | | | | | | | |
| 深沟球轴承, 单列, 低摩擦两面密封件 |
 |
| 主要数据尺寸 | 基本负荷额定值 | 疲劳负荷限值 | 额定速度 | 体积 | 型号 |
| | 动态 | 静态 | | 参照速度 | 限制速度 |
| d | D | B | C | C0 | Pu | |
 |
| mm | kN | kN | r/min | kg | - | |
 |
| 35 | 47 | 7 | 4,75 | 3,2 | 0,166 | 28000 | 14000 | 0,030 | 61807-2RZ | |
SKF61807-2RZ深沟球轴承供应商
- 八零动力专业销售61807-2RZ深沟球轴承,库存SKF61807-2RZ大量现货,与SKF合作,咨询热线:022-58519723

- SKF61807-2RZ它的可靠性,赢得了无数工程师的信任 轴承的耐用性极佳,为设备的长期稳定运行提供了保障从制造工艺到实际性能,这款轴承都表现得十分出色,出色的性能表现,让这款轴承成为行业内的明星产品,打造出了性能卓越的这款轴承,该轴承的精度控制达到了极致顺滑无声,八零动力SKF深沟球轴承品种全,价格优,质量有保证!
用户关注最多的SKF轴承型号
SKF22244CC/W33
SKF7076BGM
SKF71922C/DF
SKFC2218K*
SKFC4908K30V*
SKFCR10X26X7HMS5V
SKFCR30x62x7CRW1R
SKFFYRP1.3/4-18
SKFK25x33x20
SKFNCF18/710V
SKFNU421
SKFPWM657550
SKFSAFC2244
SKFSYR2.3/4-18
SKFWS89434