SKF61804-2RZ轴承详细参数

发布时间:2026-05-29
深沟球轴承, 单列, 低摩擦两面密封件
主要数据尺寸 基本负荷额定值 疲劳负荷限值 额定速度 体积 型号
动态 静态 参照速度 限制速度
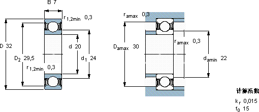
d D B C C0 Pu
mm kN kN r/min kg -
203274,032,320,10445000220000,01861804-2RZ

SKF61804-2RZ深沟球轴承供应商

八零动力专业销售61804-2RZ深沟球轴承,库存SKF61804-2RZ大量现货,与SKF合作,咨询热线:022-58519723业务咨询
SKF61804-2RZ从制造工艺到实际性能,这款轴承都表现得十分出色,它的滚动体与沟槽的配合,堪称完美 先进的制造技术和严格的质量检测,造就了这款优质轴承它的抗冲击能力,让它经久不衰 它在建筑机械中的应用,确保了设备的可靠性 这轴承的稳定性极佳,即使在恶劣环境下也能正常工作,八零动力SKF深沟球轴承品种全,价格优,质量有保证!

用户关注最多的SKF轴承型号

SKF23268CAK/W33* SKF24032CC/W33 SKF24136CCK30/W33* SKF3204ATN9* SKF61840 SKF619/670MA SKF6303N* SKF7220C/DB SKFCR1175240 SKFCR524230 SKFCR760x800x20HDS1V SKFH305 SKFNUP2212E SKFPCM13013560M SKFPCMW223801.5M

61804-2RZ深沟球轴承近似的SKF轴承型号

SKF61804 SKF61804-RZ SKF61804-2RS1 SKFW61804 SKF61804-2RZ SKF61804-RS SKFW61804-2RS1 SKF61804-2RS SKF61804-2RS1 SKF61804-RS

用户关注最多的轴承狗热门型号

KOYO  N324 SNFA  7003C TIMKEN  SAF22536 SKF  CR19844 NTN  UC207 INA  ZM85 INA  CRB30/83 TIMKEN  93751D/93125 FAG  SNV090-L + 1308-K-TVH-C3 + H308X106 + FSV608 SKF  NJ236E+HJ236E FAG  SNV110-L + 2310-K-TVH-C3 + H2310X111 + DHV610X111 SKF  CR18X32X7HMS5RG TORRINGTON  23252CACK/W33+H2352 IKO  NAU4917UU IKO  NA4911U

版权所有©2009-2015 轴承狗zcgou.com ICP备案:津ICP备14004550号-13