SKF618/1060MA轴承详细参数

发布时间:2026-04-14
深沟球轴承, 单列, 无密封件
主要数据尺寸 基本负荷额定值 疲劳负荷限值 额定速度 体积 型号
动态 静态 参照速度 限制速度
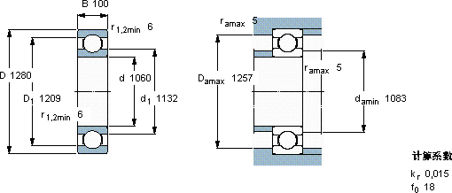
d D B C C0 Pu
mm kN kN r/min kg -
10601280100728212026,5670560260618/1060 MA

SKF618/1060MA深沟球轴承供应商

八零动力专业销售618/1060MA深沟球轴承,库存SKF618/1060MA大量现货,与SKF合作,咨询热线:022-58519723业务咨询
SKF618/1060MA它的润滑技术,让摩擦降至最低 它的耐高温性能,让它在极端环境下依然稳定运行 转动的艺术优秀的设计和卓越的性能,让这款轴承备受青睐它在航空航天领域的应用,展现了它的高可靠性 它的低噪音设计,减少了对环境的噪音污染 ,八零动力SKF深沟球轴承品种全,价格优,质量有保证!

用户关注最多的SKF轴承型号

SKF2205K SKF24172ECCK30J/W33+AOH24172* SKF32008XR/QVA621 SKF71902C/DF SKF81188M SKFAXW12 SKFAXW35 SKFC30/1000KMB* SKFCR32x42x7CRW1R SKFCR43X62X8HMS5V SKFCR60X90X8HMS5RG SKFNKIS55 SKFPCM657030B SKFPCZ0808M SKFRMS36

618/1060MA深沟球轴承近似的SKF轴承型号

SKF61888 SKF61817-RS SKF61815-RZ SKF61817-2RZ SKF61868MA SKF61802-RZ SKF61876MA SKF61813-RZ SKFW618/9 SKF61892 SKF618/1000MA SKF618/1060TN

用户关注最多的轴承狗热门型号

FAG  SNV160-L + 22315-E1-K + H2315X210 + TSV615X210 SKF  NKI10/16 SKF  CR200X230X15HMS5RG SKF  FYR2.11/16-3 LYC  3D1176938QT SKF  FYJ1.3/4TF SKF  23224CC/W33 SKF  CR25043 GMN  71918C/DB STEYR  1210 NTN  62/32-ZN LYC  6303 E-2RS/C3HT NTN  6028-Z KOYO  22313RHRK+H2313X SKF  72212/2/72487/2/Q

版权所有©2009-2015 轴承狗zcgou.com ICP备案:津ICP备14004550号-13