SKF618/1000MA轴承详细参数

发布时间:2026-04-14
深沟球轴承, 单列, 无密封件
主要数据尺寸 基本负荷额定值 疲劳负荷限值 额定速度 体积 型号
动态 静态 参照速度 限制速度
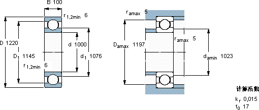
d D B C C0 Pu
mm kN kN r/min kg -
10001220100637180022,8750600245618/1000 MA

SKF618/1000MA深沟球轴承供应商

八零动力专业销售618/1000MA深沟球轴承,库存SKF618/1000MA大量现货,与SKF合作,咨询热线:022-58519723业务咨询
SKF618/1000MA它在医疗设备中的应用,确保了设备的稳定性 它的旋转精度,让高速运转成为现实 它在汽车工业中的应用,让车辆运行更加平稳 它的表面硬化处理,延长了它的使用寿命 性能优越的轴承,极大地提升了设备的工作性能和效率高品质的轴承,在复杂工况下也能展现出卓越的性能,八零动力SKF深沟球轴承品种全,价格优,质量有保证!

用户关注最多的SKF轴承型号

SKF22332CCJA/W33VA406 SKF23092CA/W33* SKF7034CD/P4A SKF71924CD/P4A SKF7207CD/P4A SKF7226AC/DT SKF7305BECBY SKFCR120X150X15CRSH1R SKFCR17X23X3HM4R SKFFSAF22517 SKFFSYE4.15/16H SKFHM3184 SKFNJ226ECP* SKFNUP317ECM* SKFPCZ0406B

618/1000MA深沟球轴承近似的SKF轴承型号

SKF61811-2RZ SKF61820-RS SKF61803-RZ SKF618/560 SKFW618/4R SKF618/6 SKFW618/8 SKF61892 SKF61844 SKF61812-2RS1 SKF61896MA SKF618/1060MA

用户关注最多的轴承狗热门型号

INA  ZKLF3080-2RS-PE TIMKEN  52400/52638 TORRINGTON FAFNIR  6203-2RS 国产  N313ETN1/Z2 NTN  NUP222E NTN  23196CAC/W33 国产  53309 NSK  7038A5TYNSULP4 FAG  SNV110-L + 1310-K-TVH-C3 + H310X110 + TCV610X110 TORRINGTON  23256CAC/W33 SNR  7004C/DT FAG  ZRB8X9-QP IKO  LRTZ10011541 IKO  CF20-1V Stieber  DC168C

版权所有©2009-2015 轴承狗zcgou.com ICP备案:津ICP备14004550号-13