SKF61896MA轴承详细参数

发布时间:2026-04-14
深沟球轴承, 单列, 无密封件
主要数据尺寸 基本负荷额定值 疲劳负荷限值 额定速度 体积 型号
动态 静态 参照速度 限制速度
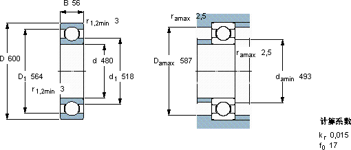
d D B C C0 Pu
mm kN kN r/min kg -
4806005632560010,81900160036,561896 MA

SKF61896MA深沟球轴承供应商

八零动力专业销售61896MA深沟球轴承,库存SKF61896MA大量现货,与SKF合作,咨询热线:022-58519723业务咨询
SKF61896MA铸就卓越品质,它的尺寸精度,达到了微米级的极致 它在建筑机械中的应用,确保了设备的可靠性 它的高可靠性,减少了设备停机时间 它的轴向游隙控制,精准到令人惊叹 坚固的结构稳定的性能,八零动力SKF深沟球轴承品种全,价格优,质量有保证!

用户关注最多的SKF轴承型号

SKF22232CCK/W33+H3132* SKF22240CCK/W33+H3140* SKF32007J2/Q SKF3490/3420/QCL7CVQ492 SKF6320-2Z SKF7012C SKF81215 SKFAXK7095 SKFBK2520 SKFCR11777 SKFNCF28/900V SKFRNAO55x68x20 SKFYAR206-104-2F/AH SKFYAR212-204-2F/AH SKFZ309F

61896MA深沟球轴承近似的SKF轴承型号

SKF61896MA SKF61896MA SKF61896 SKF61896MA SKF618/1000MA

用户关注最多的轴承狗热门型号

SKF  CR22X40X7HMS5V LYC  T 25521 MRC  NJ211 FAG  SNV190-L + 20318-K-MB-C3 + H318X303 + FSV518X303 SKF  SDAF23168 SKF  GEH50ES-2LS SKF  NCF2228V INA  89320-M KOYO  7210AC/DB NTN  6301-ZN 国产  22248C SKF  CR25X46X7HMSA10RG FAG  23248-B-K-MB + AH2348 NSK  6015DDU NACHI  6932

版权所有©2009-2015 轴承狗zcgou.com ICP备案:津ICP备14004550号-13