SKF61814-2RS1轴承详细参数

发布时间:2026-04-15
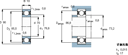
深沟球轴承, 单列, 两面密封件
主要数据尺寸 基本负荷额定值 疲劳负荷限值 额定速度 体积 型号
动态 静态 参照速度 限制速度
d D B C C0 Pu
mm kN kN r/min kg -
70901012,413,20,56-43000,1461814-2RS1

SKF61814-2RS1深沟球轴承供应商

八零动力专业销售61814-2RS1深沟球轴承,库存SKF61814-2RS1大量现货,与SKF合作,咨询热线:022-58519723业务咨询
SKF61814-2RS1制造工艺精湛,使得这款轴承在运转时更加顺畅平稳它的滚动体与沟槽的配合,堪称完美 它在船舶工业中的应用,展现了它的耐腐蚀性 高品质的轴承,在各种复杂环境下都能稳定发挥作用这轴承的精度控制令人佩服,为设备的精准运行提供了保障它的故障率极低,确保了设备的稳定运行 ,八零动力SKF深沟球轴承品种全,价格优,质量有保证!

用户关注最多的SKF轴承型号

SKF1319K+H319 SKF232/530CA/W33 SKF3213A SKF61934MA SKFCR140X170X15HMS5V SKFE2.609-2Z/C3 SKFMB48 SKFNU2356MA SKFNUP307ECM* SKFNUTR3072A SKFS71922DB/P7 SKFS7030CD/P4A SKFSDAF22536 SKFSYE1.7/16N-118 SKFSYR2.11/16H-3

61814-2RS1深沟球轴承近似的SKF轴承型号

SKF61814 SKF61814-RS SKF61814-2RS1 SKF61814-2RZ SKF61814-RZ SKF61814-2RS SKF61814-2RS SKF61814-2RZ

用户关注最多的轴承狗热门型号

NACHI  6310N ASK  NJ2211 SKF  NU2222ECML* MRC  7321B/DF STEYR  54228U NSK  7911CTY ZKL  7315B/DB SKF  NUP311ECP FAG  SNV160-L + 23218-E1-K-TVPB + H2318X302 + DH518 SKF  CR40X80X10HMS5RG SKF  1220K+H220 LYC  23264 K/C3 LYC  22324 K INA  4136-AW NACHI  6205ZENR

版权所有©2009-2015 轴承狗zcgou.com ICP备案:津ICP备14004550号-13