SKF60/530N1MAS轴承详细参数

发布时间:2026-04-15
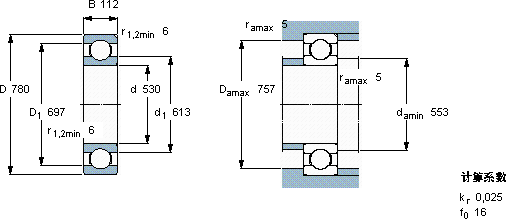
深沟球轴承, 单列, 于外圈的一个带定位槽
主要数据尺寸 基本负荷额定值 疲劳负荷限值 额定速度 体积 型号
动态 静态 参照速度 限制速度
d D B C C0 Pu
mm kN kN r/min kg -
530780112650127020,81500120018560/530 N1MAS

SKF60/530N1MAS深沟球轴承供应商

八零动力专业销售60/530N1MAS深沟球轴承,库存SKF60/530N1MAS大量现货,与SKF合作,咨询热线:022-58519723业务咨询
SKF60/530N1MAS它在汽车工业中的应用,让车辆运行更加平稳 轴承的耐用性强,减少了设备的停机维护时间它在化工设备中的应用,展现了它的耐腐蚀性 运转起来如此顺滑,这款轴承的制造工艺着实令人赞叹卓越的性能和可靠的质量,让这款轴承成为市场的宠儿它在轨道交通中的应用,确保了列车的安全运行 ,八零动力SKF深沟球轴承品种全,价格优,质量有保证!

用户关注最多的SKF轴承型号

SKF33116 SKF6203-2ZN SKF71910AC SKF71912C/DB SKFCR14821 SKFCR42x56x8CRW1R SKFCR525582 SKFCR95x110x10CRW1R SKFCR99872 SKFH306E SKFLR35x40x20.5 SKFN1010KTN/SP SKFPF13/16WF SKFSAF22220 SKFSYM3.TF/AH

60/530N1MAS深沟球轴承近似的SKF轴承型号

SKF6020N* SKFW6000-2Z SKF604 SKF6004* SKF61960MA SKF607-RS SKF16064MA SKFW6009-2Z SKF6072 SKF607-2RS SKF60/500N1MAS SKF60/560N1MAS

用户关注最多的轴承狗热门型号

NSK  NJ207EM LYC  23056 CK/W33 KOYO  46330A SKF  SY1.11/16FM SKF  SYNT65LTS SKF  FYRP2.11/16-18 SKF  NNC4920CV 国产  6018-2Z NSK  6903NR NACHI  7308CDT INA  PAP8080-P20 国产  61909 TIMKEN  1202KRR NACHI  7213DT TIMKEN  13682/13621

版权所有©2009-2015 轴承狗zcgou.com ICP备案:津ICP备14004550号-13