SKF60/500N1MAS轴承详细参数

发布时间:2026-04-15
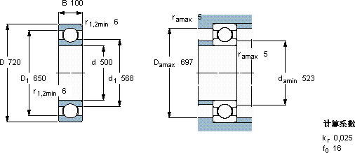
深沟球轴承, 单列, 于外圈的一个带定位槽
主要数据尺寸 基本负荷额定值 疲劳负荷限值 额定速度 体积 型号
动态 静态 参照速度 限制速度
d D B C C0 Pu
mm kN kN r/min kg -
500720100605114019,61600130013560/500 N1MAS

SKF60/500N1MAS深沟球轴承供应商

八零动力专业销售60/500N1MAS深沟球轴承,库存SKF60/500N1MAS大量现货,与SKF合作,咨询热线:022-58519723业务咨询
SKF60/500N1MAS它的低摩擦设计,减少了能量损耗 让工作更高效,制造工艺先进,使得这款轴承的性能远超普通产品优秀的设计让这款轴承在运行时更加高效节能要设备更出色它的精密性,让它在高精度设备中无可替代 ,八零动力SKF深沟球轴承品种全,价格优,质量有保证!

用户关注最多的SKF轴承型号

SKF22214E* SKF23264CAC/W33 SKF23284CACK/W33 SKF32307J2/Q SKF6210-2Z/VA201 SKF81102TN SKFBDAB307785 SKFC2217V* SKFCR19884 SKFCR380x420x22.23HDSA2VD SKFM35x1.5 SKFNU2226ECML* SKFPNA20/42 SKFSNL217 SKFSNL3040G

60/500N1MAS深沟球轴承近似的SKF轴承型号

SKF60/950MB SKF16052MA SKF608-2RZ SKF6044 SKF6001-2RSL* SKF608-2Z/C3WT* SKF6012N* SKF6008-2Z/VA208 SKF6001-RZ SKF6026-2RS SKF60/1120MB SKF60/530N1MAS

用户关注最多的轴承狗热门型号

SKF  22332CCK/W33+AH2332G* 国产  22338K SKF  SI17C NSK  6824NR SKF  WS89320 SKF  2x7411BGM LYC  6306 ETN1 SKF  NJ2304ECP NTN  RNA4868 NTN  24080BK30+AH24080H NSK  7900A5 SKF  22260CCK/W33+OH3160H* KOYO  R17/15 SKF  30212J2/Q IKO  AS5578

版权所有©2009-2015 轴承狗zcgou.com ICP备案:津ICP备14004550号-13