SKF6032-RS1轴承详细参数

发布时间:2026-04-15
深沟球轴承, 单列, 单面密封件
主要数据尺寸 基本负荷额定值 疲劳负荷限值 额定速度 体积 型号
动态 静态 参照速度 限制速度
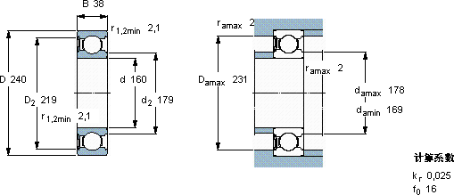
d D B C C0 Pu
mm kN kN r/min kg -
160240381431434,3-16005,906032-RS1

SKF6032-RS1深沟球轴承供应商

八零动力专业销售6032-RS1深沟球轴承,库存SKF6032-RS1大量现货,与SKF合作,咨询热线:022-58519723业务咨询
SKF6032-RS1这款轴承的性能卓越,有效提升了设备的整体性能和可靠性它的静音设计,让机械运转如丝般顺滑 卓越的性能表现,使这款轴承在市场上拥有良好的口碑设计合理、性能优良的轴承,是机械设备的理想之选制造工艺精湛,使得这款轴承的精度和稳定性都非常出色先进的制造技术,让这款轴承的质量达到了行业领先水平,八零动力SKF深沟球轴承品种全,价格优,质量有保证!

用户关注最多的SKF轴承型号

SKF23076CAC/W33 SKF32007X/Q SKF32216J2/QDF SKF351585B SKF61919 SKFCR100X125X12HMSA10RG SKFCR10944 SKFCR35X62X10HMSA10V SKFCR52X85X10HMSA10RG SKFNN3007/SP SKFNU2203ECP SKFNU226ECP* SKFNUP216E SKFPCM374020E SKFRNA4822

6032-RS1深沟球轴承近似的SKF轴承型号

SKF6032-Z SKF6032-2Z SKF6032-2RS SKF6032 SKF6032-RS SKF6032M SKF16032 SKF6032-2RS1 SKF6032-RS1 SKF16032/W64 SKF6032-RS SKF6032-Z

用户关注最多的轴承狗热门型号

MAC  NJ2214 INA  PAP6070-P11 SKF  294/850EF SKF  6204N TIMKEN  99550/99100 SKF  GS89318 RHP  7324B/DT TIMKEN  74537 /74850-B FAG  VRE306-A NSK  51152X FAG  SNV240-L + 21322-E1-K-TVPB + H322X312 + FSV522X312 SNR  51126 SKF  CR22392 SKF  6002-2RSLTN9/HC5C3WT IKO  GTR486230

版权所有©2009-2015 轴承狗zcgou.com ICP备案:津ICP备14004550号-13