SKF6038M轴承详细参数

发布时间:2026-04-29
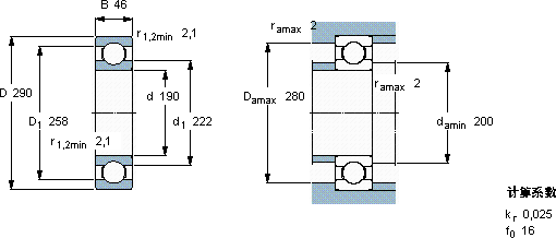
深沟球轴承, 单列, 无密封件
主要数据尺寸 基本负荷额定值 疲劳负荷限值 额定速度 体积 型号
动态 静态 参照速度 限制速度
d D B C C0 Pu
mm kN kN r/min kg -
190290461952165,854800380011,06038 M

SKF6038M深沟球轴承供应商

八零动力专业销售6038M深沟球轴承,库存SKF6038M大量现货,与SKF合作,咨询热线:022-58519723业务咨询
SKF6038M是您机械世界里的不败功臣,它的耐腐蚀性,减少了维护成本 轴承的稳定性和可靠性表现出色,赢得了用户的高度认可这轴承的选材讲究,坚固耐用,寿命远超同类产品承载重托它的抗冲击能力,让它经久不衰 ,八零动力SKF深沟球轴承品种全,价格优,质量有保证!

用户关注最多的SKF轴承型号

SKF29292 SKF71806ACD/P4 SKF71808CD/P4A SKF7200AC/DF SKF812/1000M SKFCR12446 SKFCR22X32X7CRS1V SKFFY1.3/4WF SKFNNCF4848CV SKFOKBS89 SKFPCMF060804B SKFQJ205MA SKFW609 SKFWS81296 SKFYEL205-013-2F

6038M深沟球轴承近似的SKF轴承型号

SKF6038 SKF6038M SKF16038 SKF6038 SKF604

用户关注最多的轴承狗热门型号

MRC  61904 TIMKEN  782D/772 SKF  319438DA-2LS STEYR  51417 SKF  SYFJ20TF KOYO  633-2Z NSK  NU256M NSK  NU1064 国产  NN3014KTN1 NACHI  SN209F STEYR  NU2236 国产  6309/Z2 FAG  NJ312-E-TVP2 SKF  NUP240ECMA SKF  NU20/560ECMA

版权所有©2009-2015 轴承狗zcgou.com ICP备案:津ICP备14004550号-13