SKF6005-Z*轴承详细参数

发布时间:2026-05-03
深沟球轴承, 单列, 单面防尘罩
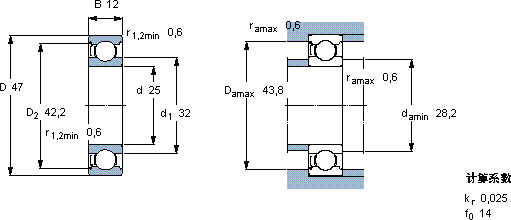
主要数据尺寸 基本负荷额定值 疲劳负荷限值 额定速度 体积 型号
动态 静态 参照速度 限制速度
d D B C C0 Pu * - SKF Explorer 轴承
mm kN kN r/min kg -
25471211,96,550,27532000200000,0806005-Z *

SKF6005-Z*深沟球轴承供应商

八零动力专业销售6005-Z*深沟球轴承,库存SKF6005-Z*大量现货,与SKF合作,咨询热线:022-58519723业务咨询
SKF6005-Z*高品质的轴承,在各种复杂工况下都能展现出卓越的性能表现轴承的性能可靠,为机械设备的稳定运行立下汗马功劳它的品质卓越,为机械设备的高效运行提供了坚实后盾它的抗剪切性能,确保了它的结构稳定性 它的抗磨损涂层,让它更加耐用 它的润滑技术,减少了润滑剂的使用 ,八零动力SKF深沟球轴承品种全,价格优,质量有保证!

用户关注最多的SKF轴承型号

SKF22222EK* SKF22316EJA/VA405* SKF7012DB/P7 SKF81152 SKF81296M SKFAH316 SKFC3976KMB+OH3976HE* SKFCR13534 SKFCR32344 SKFCR330x370x20HDS1R SKFCR45X60X7HMSA10RG SKFFBSA208/QBC SKFFYT40TF/VA228 SKFNUP216ECML* SKFSYE2.15/16N-118

6005-Z*深沟球轴承近似的SKF轴承型号

SKF6005-2Z/VA208 SKFE2.6005-2Z/C3 SKF6005N* SKF6005-Z* SKF6005-2Z/VA201 SKFW6005-2Z SKF6005-2RSL* SKF6005/VA201 SKF6005-RZ SKF6005-2ZNR* SKF6005-RZ SKF6005-ZNR*

用户关注最多的轴承狗热门型号

GMN  7004AC/DB SNR  7334AC/DF BARDEN  7014AC LYC  51111/P6 SKF  24026CC/W33 FAG  BND3226-H-W-Y-BF-S SKF  NKXR50 THK  LB304768OP RHP  1202 LYC  131.50.3150.12K SKF  81226TN SKF  CR190X220X15HMS5RG DKF  7220AC/DT SKF  320/28 IKO  CFE30VUUR

版权所有©2009-2015 轴承狗zcgou.com ICP备案:津ICP备14004550号-13