SKF604轴承详细参数

发布时间:2026-04-14
深沟球轴承, 单列, 无密封件
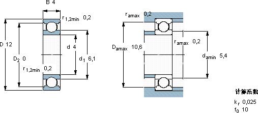
主要数据尺寸 基本负荷额定值 疲劳负荷限值 额定速度 体积 型号
动态 静态 参照速度 限制速度
d D B C C0 Pu
mm kN kN r/min kg -
41240,8060,280,012120000750000,0021604

SKF604深沟球轴承供应商

八零动力专业销售604深沟球轴承,库存SKF604大量现货,与SKF合作,咨询热线:022-58519723业务咨询
SKF604轴承的选材精良,确保了其具有良好的耐磨性和抗腐蚀性它的微观表面处理,减少了摩擦和磨损 这轴承的设计精妙,充分考虑了各种实际应用需求这轴承的稳定性极佳,在高速运转时也能保持良好状态持久转动它的润滑技术,让摩擦降至最低 ,八零动力SKF深沟球轴承品种全,价格优,质量有保证!

用户关注最多的SKF轴承型号

SKF32320 SKF6000-2RSLTN9/HC5C3WT SKF7208B SKFCR36X46X9CRS1R SKFCR38673 SKFCR990x1045x25HDS1R SKFFNL515B SKFGEM50ES-2RS SKFH304E SKFM239449/410 SKFNATV6 SKFNK55/35 SKFSAF22515x2.3/8 SKFSILKAC5M SKFW628/4-2Z

604深沟球轴承近似的SKF轴承型号

SKF6044 SKF16044 SKF604-2Z SKF16040 SKF6040M SKF6048 SKF604-Z SKF6048M SKFW604-2Z SKF604 SKF6038M SKF604-2Z

用户关注最多的轴承狗热门型号

ZKL  30219 国产  UK210 TIMKEN  G1110KPPB4 SKF  6000-2Z TIMKEN  455/454 LYC  NUTR 208 FAG  SD3176-H-TS-AL-L + 231SM360-MA NTN  NUP2317E STEYR  NUP322 RHP  1201 NTN  NKI40/20 SKF  CR86543 SKF  7215BECBM FAG  LOE326-N-AF-L FAG  23024-E1-K-TVPB + AHX3024

版权所有©2009-2015 轴承狗zcgou.com ICP备案:津ICP备14004550号-13