SKF16048MA轴承详细参数

发布时间:2026-04-14
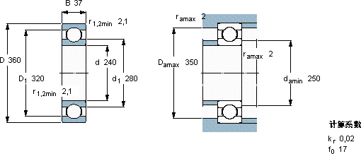
深沟球轴承, 单列, 无密封件
主要数据尺寸 基本负荷额定值 疲劳负荷限值 额定速度 体积 型号
动态 静态 参照速度 限制速度
d D B C C0 Pu
mm kN kN r/min kg -
240360372032556,32800220014,016048 MA

SKF16048MA深沟球轴承供应商

八零动力专业销售16048MA深沟球轴承,库存SKF16048MA大量现货,与SKF合作,咨询热线:022-58519723业务咨询
SKF16048MA它的质量过硬,为机械设备的高效、安全、稳定运行 旋转不息畅享稳定顺滑的旋转之旅,它的可回收性,减少了废弃物处理成本 它的材质选择,体现了对耐用性的极致追求 高精度低摩擦,八零动力SKF深沟球轴承品种全,价格优,质量有保证!

用户关注最多的SKF轴承型号

SKF240/670ECAK30/W33* SKF331092A SKF7220ACD/P4A SKFAHX2319 SKFC2213KTN9+AH313G* SKFCR1050529 SKFCR1075117 SKFCR140X160X12HMS5V SKFCR26144 SKFCR30X52X8HMS5V SKFCR35x80x8CRW1R SKFCR593768 SKFN30/1320/VE901 SKFNU2310E SKFPWTR1542.2RS

16048MA深沟球轴承近似的SKF轴承型号

SKF16048MA SKF16048 SKF16048MA SKF16048MA SKF16052

用户关注最多的轴承狗热门型号

SKF  7201AC/DT LYC  6397/4914 SKF  23026CC/W33 SKF  51311 STEYR  51417 BARDEN  7028AC/DT TORRINGTON  23032CCK/W33 TIMKEN  MB36 SKF  71902C/DF FAG  H208X104 STEYR  53226U TIMKEN  864/854 NACHI  SN624E FLT  NJ2330 SKF  CR99147

版权所有©2009-2015 轴承狗zcgou.com ICP备案:津ICP备14004550号-13