SKF16044轴承详细参数

发布时间:2026-04-15
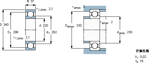
深沟球轴承, 单列, 无密封件
主要数据尺寸 基本负荷额定值 疲劳负荷限值 额定速度 体积 型号
动态 静态 参照速度 限制速度
d D B C C0 Pu
mm kN kN r/min kg -
220340371742045,24000240011,516044

SKF16044深沟球轴承供应商

八零动力专业销售16044深沟球轴承,库存SKF16044大量现货,与SKF合作,咨询热线:022-58519723业务咨询
SKF16044承载无限可能,它在食品机械中的应用,展现了它的卫生性能 它的抗冲击性能,让它经得起各种考验 承载重载历经岁月它的润滑技术,减少了润滑剂的使用 它的润滑技术,减少了摩擦和磨损 ,八零动力SKF深沟球轴承品种全,价格优,质量有保证!

用户关注最多的SKF轴承型号

SKF6306-2Z/VA228 SKF71912DB/P7 SKF7221C/DT SKF722510DB SKFBT4B334095G/HA4VA901 SKFBTM70A/P4CDBA SKFC3144K/HA3C4* SKFCR160X185X15HMS5RG SKFFY45TR SKFGEZ304ES SKFHK2820 SKFNJ216ECJ* SKFQJ1276N2MA SKFSA12C SKFSNL3072/13.7/16TURT

16044深沟球轴承近似的SKF轴承型号

SKF16044 SKF16040 SKF16048

用户关注最多的轴承狗热门型号

SKF  CR45x62x8CRWA1V LYC  350626/YA1 FAG  1308-K-TVH-C3 + H308 LYC  7203 C/P6YA TORRINGTON  23164CACK/W33+H3164 TORRINGTON  22212CC/W33 SKF  S71909CD/HCP4A STEYR  51313 NTN  7822CDB LYC  8787/2000 SKF  CR1800240 TIMKEN  HH926744/HH926710 INA  LTE50-3210-B SKF  PCM323630E IKO  NAF254216

版权所有©2009-2015 轴承狗zcgou.com ICP备案:津ICP备14004550号-13