SKF2x7313BECBM*轴承详细参数

发布时间:2026-04-15
角接触球轴承, 单列,用于配对安装, 面对面配对
主要数据尺寸 基本负荷额定值 疲劳负荷限值 额定速度 体积 型号 轴承配对
动态 静态 参照速度 限制速度
d D 2B C C0 Pu * - SKF Explorer 轴承
mm kN kN r/min kg --
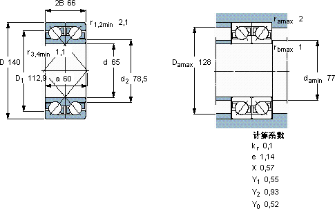
65140661901737,35500063004,602 × 7313 BECBM *DF

SKF2x7313BECBM*角接触球轴承供应商

八零动力专业销售2x7313BECBM*角接触球轴承,库存SKF2x7313BECBM*大量现货,与SKF合作,咨询热线:022-58519723业务咨询
SKF2x7313BECBM*它的抗疲劳性能,确保了长期使用的可靠性 从制造工艺到实际性能,这款轴承都表现得十分出色,其设计和制造工艺都达到了国际先进水平,是一款优质轴承先进的制造技术和严格的质量控制,造就了这款优质轴承它的圆度误差几乎可以忽略不计 它的质量过硬,为机械设备的高效、安全、稳定运行 ,八零动力SKF角接触球轴承品种全,价格优,质量有保证!

用户关注最多的SKF轴承型号

SKFBT4B328888G/HA1VA901 SKFCR15X24X7HMS5RG SKFCR15X40X10HMSA10V SKFCR16118 SKFCR30X50X10HMSA10RG SKFCR35X80X12HMSA10V SKFCR99349 SKFKMFE6 SKFNCF3028CV SKFNJ307ECJ* SKFNNCF5068CV SKFSAF22620x3.3/8 SKFSYH2.TF SKFWEEYB003-2Z SKFYAR212-204-2F

2x7313BECBM*角接触球轴承近似的SKF轴承型号

SKF7313BEGBM* SKF2x7313BECBF SKF7313BEGAF SKF2x7313BEGAP* SKF2x7313BECCM* SKF7313BEGBP* SKF7313B/DF SKF7313BEGAM* SKF2x7313BECBPH* SKF2x7313BEGAM* SKF2x7313BECBJ SKF2x7313BECBP*

用户关注最多的轴承狗热门型号

FAG  SD3168-H-TS-BL-L + 23168-B-K-MB SKF  PCM404430M KOYO  7205B/DT 国产  510/670 TIMKEN  22234CJ DKF  7004AC INA  SL192316 TORRINGTON  24152CACK30/W33 KOYO  NJ232E+HJ232E MAC  NU1021 TIMKEN  MB00 FAG  H39/1060-HG LYC  E942750V2L MRC  6305N FAG  222SM240-MA

版权所有©2009-2015 轴承狗zcgou.com ICP备案:津ICP备14004550号-13