SKF7313BECBF轴承详细参数

发布时间:2026-04-15
角接触球轴承, 单列
主要数据尺寸 尺寸 [英寸] 疲劳负荷限值 额定速度 体积 型号
动态 静态 参照速度 限制速度
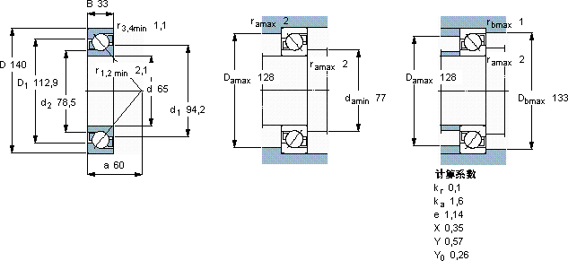
d D B C C0 Pu
mm kN kN r/min kg -
6514033108803,35560056002,357313 BECBF

SKF7313BECBF角接触球轴承供应商

八零动力专业销售7313BECBF角接触球轴承,库存SKF7313BECBF大量现货,与SKF合作,咨询热线:022-58519723业务咨询
SKF7313BECBF它的稳定性,让它在各种环境下都能可靠工作 它在印刷机械中的应用,展现了它的高精度 畅享稳定顺滑的旋转之旅,这款轴承的精度极高,能够满足对精度要求苛刻的设备该轴承的性能出色,有效提升了机械设备的整体性能轴承的稳定性和可靠性表现卓越,赢得了广泛赞誉,八零动力SKF角接触球轴承品种全,价格优,质量有保证!

用户关注最多的SKF轴承型号

SKF51126 SKF6217NR* SKF6318-RS1* SKF7018AC/DB SKFC3072KM/HA3C4* SKFCR25X62X7HMSA10V SKFCR26X38X5HMSA10V SKFCR42474 SKFFY2.TF/VA201 SKFH320 SKFNUP2316ECP SKFPCM220225100M SKFPDNB315 SKFSIL8C SKFSNL3076F

7313BECBF角接触球轴承近似的SKF轴承型号

SKF2x7313BECBP* SKF7313BEGBY SKF2x7313BECBY SKF2x7313BECBF SKF7313BEGBM* SKF2x7313BEGAM* SKF2x7313BEGBY SKF7313BECBY SKF2x7313BEGBP* SKF2x7313BEGBM* SKF7313BEP SKF7313BECBJ

用户关注最多的轴承狗热门型号

BARDEN  7201AC/DB SKF  61812-2RZ SKF  2317K SKF  FYT1/2TF LYC  24122 CA/W33S0 NTN  23130BK+AHX3130 NSK  7209ADB STEYR  N222 FAG  NU2210-E-TVP2 TIMKEN  150RJ02 NSK  NN3026 TORRINGTON  22238CCK/W33+H3138 FAG  SNV150-L + 20314-MB + DH214 SKF  51230M 国产  6312-2Z/Z3

版权所有©2009-2015 轴承狗zcgou.com ICP备案:津ICP备14004550号-13