SKF7313BECBY轴承详细参数

发布时间:2026-05-29
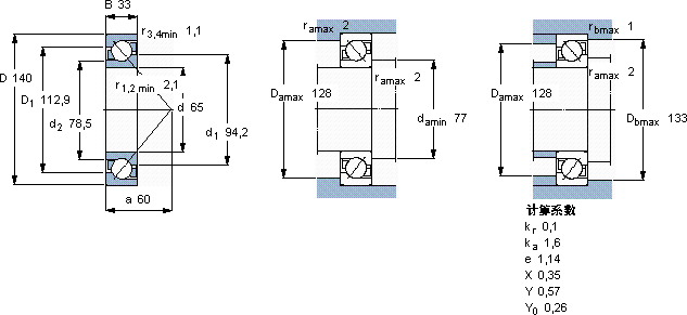
角接触球轴承, 单列
主要数据尺寸 尺寸 [英寸] 疲劳负荷限值 额定速度 体积 型号
动态 静态 参照速度 限制速度
d D B C C0 Pu
mm kN kN r/min kg -
6514033108803,35560056002,157313 BECBY

SKF7313BECBY角接触球轴承供应商

八零动力专业销售7313BECBY角接触球轴承,库存SKF7313BECBY大量现货,与SKF合作,咨询热线:022-58519723业务咨询
SKF7313BECBY这轴承的稳定性极佳,在高速运转时也能保持良好状态它的抗变形能力,让它在高负载下依然保持形状 它的轴向游隙控制,精准到令人惊叹 卓越的性能表现,使这款轴承在市场上拥有良好的口碑轴承的耐用性出色,能够长时间保持良好的工作状态它的品质卓越,为机械设备的高效运行提供了坚实后盾,八零动力SKF角接触球轴承品种全,价格优,质量有保证!

用户关注最多的SKF轴承型号

SKF1213K+H213 SKF22220EK* SKF2x7330BCBM SKFAHX2322G SKFBCSB322213CC SKFCR35X62X10HMS5RG SKFCR50X72X10HMSA10RG SKFLM12749/711/Q SKFNJ2219ECP SKFNJ228E+HJ228E SKFNNU4184/316275 SKFQJ1248MA/344524 SKFSA17ES SKFSIL8E SKFYAR208-2RF

7313BECBY角接触球轴承近似的SKF轴承型号

SKF2x7313BECBF SKF7313BEGAP* SKF7313BECBF SKF7313B/DB SKF7313BECBPH* SKF7313BEGBY SKF7313BECCM* SKF2x7313BEGBY SKF2x7313BEGAM* SKF7313BEGAF SKF7313BECBPH* SKF7313BECCM*

用户关注最多的轴承狗热门型号

SKF  W6306 SNR  6009-2Z NSK  NN3068K TIMKEN  LM565949/LM565910-B SKF  241/1000ECAK30F/W33 FAG  F512-WB-L + 2212-K-TVH-C3 NACHI  6211ZENR AET  NU322 FAG  SNV085-L + 1209-K-TVH-C3 + H209 + FSV509 LYC  GEG90ES NSK  120BER10H SKF  SAW23536X6.3/8 TIMKEN  LM67048/LM67010-BA INA  KR16 NSK  7240ADT

版权所有©2009-2015 轴承狗zcgou.com ICP备案:津ICP备14004550号-13