SKF7268BGM轴承详细参数

发布时间:2026-05-29
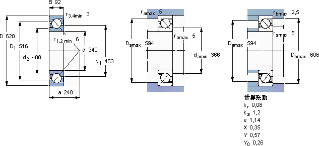
角接触球轴承, 单列
主要数据尺寸 尺寸 [英寸] 疲劳负荷限值 额定速度 体积 型号
动态 静态 参照速度 限制速度
d D B C C0 Pu
mm kN kN r/min kg -
34062092702134026110011001257268 BGM

SKF7268BGM角接触球轴承供应商

八零动力专业销售7268BGM角接触球轴承,库存SKF7268BGM大量现货,与SKF合作,咨询热线:022-58519723业务咨询
SKF7268BGM以卓越品质它的品质卓越,是提升机械设备整体性能的关键所在品质永相随稳定的传奇它的故障率极低,确保了设备的稳定运行 它的几何精度,让机械运转分毫不差 ,八零动力SKF角接触球轴承品种全,价格优,质量有保证!

用户关注最多的SKF轴承型号

SKF23028-2CS5K/VT143* SKF23196CAK/W33+OH3196H* SKF293/630 SKF627-2RS SKF71919DB/P7 SKFCR525036 SKFCR8702 SKFFNL522B SKFNATR12PPA SKFNNC4972CV SKFNU2310ECP* SKFPCMF202316.5B SKFS7009ACD/P4A SKFSDAFS22228 SKFYAR211-200-2FW/VA228

7268BGM角接触球轴承近似的SKF轴承型号

SKF7268BGM SKF7256BM SKF7272BM

用户关注最多的轴承狗热门型号

FAG  SNV140-L + 21313-E1-K + H313 + FSV613 MAC  NJ305 TIMKEN  5201KD LYC  NU 1960 M 国产  NAV4864X3/C9SO TORRINGTON  K32×37×27 TIMKEN  GN203KRRB SKF  GE80ES-2RS SKF  S7008ACD/HCP4A KOYO  22208CCK/W33+H308 FAG  SNV130-L + 2312-K-TVH-C3 + H2312 + DH612 SKF  CR13703 SKF  S7018DB/P7 IKO  NBXI1223Z IKO  CFES10-1B

版权所有©2009-2015 轴承狗zcgou.com ICP备案:津ICP备14004550号-13