SKF2x7207BECBP*轴承详细参数

发布时间:2026-05-30
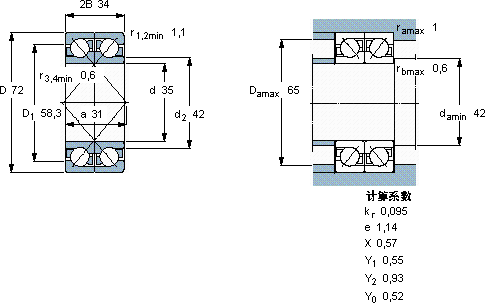
角接触球轴承, 单列,用于配对安装, 面对面配对
主要数据尺寸 基本负荷额定值 疲劳负荷限值 额定速度 体积 型号 轴承配对
动态 静态 参照速度 限制速度
d D 2B C C0 Pu * - SKF Explorer 轴承
mm kN kN r/min kg --
3572345141,51,769500120000,562 × 7207 BECBP *DF

SKF2x7207BECBP*角接触球轴承供应商

八零动力专业销售2x7207BECBP*角接触球轴承,库存SKF2x7207BECBP*大量现货,与SKF合作,咨询热线:022-58519723业务咨询
SKF2x7207BECBP*顺滑无声它的质量可靠,是众多机械设备制造商的首选配件它的静音设计,让机械运转如丝般顺滑 卓越的设计理念,赋予了这款轴承超凡的性能为您的机械提供持久动力,高精度低摩擦,八零动力SKF角接触球轴承品种全,价格优,质量有保证!

用户关注最多的SKF轴承型号

SKF23160CCK/W33+AOH3160G* SKF353093AU SKF7326BM SKFBT2B332764 SKFC3092KM+AOHX3092G* SKFCR2514 SKFCR46144 SKFHA306E SKFHM911245/W/2/210/2/QCL7C SKFNK105/26 SKFK135x143x35 SKFNJ236E SKFNU309ECP* SKFP80R-1.1/4FM SKFPCMS1005001.0M

2x7207BECBP*角接触球轴承近似的SKF轴承型号

SKF7207C SKF7207BEP SKF7207BEGAM* SKF7207BEGAY SKF7207BECBY SKF7207BEP SKF2x7207BEGAP* SKF7207BECBM* SKF7207AC/DT SKF2x7207BECBM* SKF2x7207BECBM* SKF2x7207BECBY

用户关注最多的轴承狗热门型号

NACHI  NU430 FAG  SNV100-L + 2309-K-TVH-C3 + H2309X109 + DH609 LYC  6009 ZZ C3 SKF  6011/HR22Q2 LYC  NJ 2312 EF1 国产  6317-2Z/Z2 SKF  FY30FM FAG  BND3252-Z-T-BF-S SKF  4303ATN9 国产  7021CTA ZKL  7240B/DB TIMKEN  NUP206E.TVP TIMKEN  67786/67720CD FAG  B7040-E-T-P4S TIMKEN  K22X30X15H

版权所有©2009-2015 轴承狗zcgou.com ICP备案:津ICP备14004550号-13