SKF241/850ECAF/W33轴承详细参数

发布时间:2026-04-14
球面滚子轴承, 圆柱和圆锥孔, 圆柱型内孔, 无密封件
主要数据尺寸 基本负荷额定值 疲劳负荷限值 额定速度 体积 型号
动态 静态 参照速度 限制速度
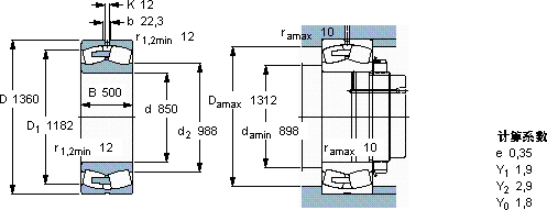
d D B C C0 Pu
mm kN kN r/min kg -
8501360500202004500025501503002710241/850 ECAF/W33

SKF241/850ECAF/W33球面滚子轴承供应商

八零动力专业销售241/850ECAF/W33球面滚子轴承,库存SKF241/850ECAF/W33大量现货,与SKF合作,咨询热线:022-58519723业务咨询
SKF241/850ECAF/W33质量上乘的轴承,是提升机械设备性能的关键因素打造出了性能卓越的这款轴承,该轴承的精度控制达到了极致它在航空航天领域的应用,展现了它的高可靠性 它的稳定性,让它在各种环境下都能可靠工作 它的抗变形能力,让它在高负载下依然保持形状 轴承的稳定性和可靠性表现卓越,赢得了广泛赞誉,八零动力SKF球面滚子轴承品种全,价格优,质量有保证!

用户关注最多的SKF轴承型号

SKF53212U SKF6236 SKF7206BEP SKF7211ACD/P4A SKFBC2-8008/HB1 SKFBC4-8015/HB1 SKFCR17588 SKFCR411603 SKFNJ230ECM SKFS71922ACD/P4A SKFSNL512-610 SKFSY2.15/16WF SKFUCFU206 SKFW635-2Z SKFYAR209-111-2F/AH

241/850ECAF/W33球面滚子轴承近似的SKF轴承型号

SKF241/900ECAK30F/W33+AOH241/900 SKF24122CCK30/W33* SKF24156CCK30/W33+AOH24156* SKF24138CCK30/W33+AH24138* SKF24160CCK30/W33+AOH24160* SKF24132CC/W33* SKF24188ECAK30/W33* SKF24160CC/W33* SKF241/560ECJ/W33* SKF24122CC/W33* SKF241/850ECAK30F/W33+AOH241/850 SKF241/850ECAK30F/W33

用户关注最多的轴承狗热门型号

MRC  61900 NTN  71924C/DT 国产  N2340M STEYR  6019 SKF  CR7475 NTN  NJ234E SKF  NNCL4928CV SKF  OKBS124 NSK  29413 SKF  3308A-2RS1TN9/MT33* INA  PAP3520-P10 国产  RNU6/133.603V/P6 KOYO  6000N BARDEN  71912C IKO  ML20

版权所有©2009-2015 轴承狗zcgou.com ICP备案:津ICP备14004550号-13