SKF24176ECA/W33*轴承详细参数

发布时间:2026-05-30
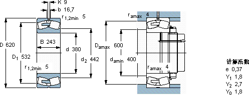
球面滚子轴承, 圆柱和圆锥孔, 圆柱型内孔, 无密封件
主要数据尺寸 基本负荷额定值 疲劳负荷限值 额定速度 体积 型号
动态 静态 参照速度 限制速度
d D B C C0 Pu * - SKF Explorer 轴承
mm kN kN r/min kg -
3806202435700980071048085030024176 ECA/W33 *

SKF24176ECA/W33*球面滚子轴承供应商

八零动力专业销售24176ECA/W33*球面滚子轴承,库存SKF24176ECA/W33*大量现货,与SKF合作,咨询热线:022-58519723业务咨询
SKF24176ECA/W33*轴承的稳定性和可靠性表现出色,赢得了用户的高度认可它在食品机械中的应用,展现了它的卫生性能 持久转动它的承载能力,堪称机械界的“大力士” 它的耐用性,让人惊叹不已 它的品质卓越,为机械设备的高效、稳定运行保驾护航,八零动力SKF球面滚子轴承品种全,价格优,质量有保证!

用户关注最多的SKF轴承型号

SKF2x7216BECBP* SKF30320J2/DFC400 SKF32309BRJ2/QCL7C SKF89438M SKFC2318* SKFCR10158 SKFCR13536 SKFCR18X35X7HMS5RG SKFCR400554 SKFCR40x80x8CRW1R SKFKD2-353 SKFM86649/2/610/2/QVQ506 SKFNNU4972/W33 SKFSC71908DB/P7 SKFSDAF23180KAx14.15/16

24176ECA/W33*球面滚子轴承近似的SKF轴承型号

SKF24176ECA/W33* SKF24176ECAK30/W33+AOH24176* SKF24176ECAK30/W33* SKF24176ECA/W33 SKF241/800ECA/W33

用户关注最多的轴承狗热门型号

SKF  22272CAK/W33* FAG  HS71915-E-T-P4S SKF  314486A SKF  CR524212 NSK  7918CDF NACHI  NU1026 FAG  SNV062-L + 22206-E1-K + H306X014 + FSV506X014 LYC  6305 Q/P53S0 DKF  7318AC/DT LYC  32022/P5 SKF  CR380x418x19HS8R SKF  P1.1/4TR KOYO  NU332E TIMKEN  31593/31521 SKF  Z009F

版权所有©2009-2015 轴承狗zcgou.com ICP备案:津ICP备14004550号-13