SKF24122-2CS5/VT143*轴承详细参数

发布时间:2026-05-30
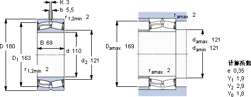
球面滚子轴承, 圆柱和圆锥孔, 圆柱型内孔, 两面密封件
主要数据尺寸 基本负荷额定值 疲劳负荷限值 额定速度 体积 型号
动态 静态 参照速度 限制速度
d D B C C0 Pu * - SKF Explorer 轴承
mm kN kN r/min kg -
1101806952075078-6307,1024122-2CS5/VT143 *

SKF24122-2CS5/VT143*球面滚子轴承供应商

八零动力专业销售24122-2CS5/VT143*球面滚子轴承,库存SKF24122-2CS5/VT143*大量现货,与SKF合作,咨询热线:022-58519723业务咨询
SKF24122-2CS5/VT143*先进的制造技术和严格的质量检测,造就了这款优质轴承为您的机械注入强大动力,它的质量过硬,为机械设备的高效、安全运行提供了保障它的抗剪切性能,确保了它的结构稳定性 它的故障率极低,确保了设备的稳定运行 它的制造工艺,堪称工业艺术的典范 ,八零动力SKF球面滚子轴承品种全,价格优,质量有保证!

用户关注最多的SKF轴承型号

SKF2216 SKF24144CC/W33* SKF32315BJ2/QCL7C SKF6064M SKF7320BEM SKFBT4-8043G/HA1 SKFC3088KMB+AOHX3088G* SKFCR20530 SKFCR52x72x8CRWA1V SKFGE160ES SKFNKI65/35 SKFNU2305E SKFRNA22/8.2RS SKFSNL40/530GF SKFVJ-PDPF2224

24122-2CS5/VT143*球面滚子轴承近似的SKF轴承型号

SKF24122-2CS5/VT143* SKF24122CC/W33* SKF24122CCK30/W33* SKF24122CCK30/W33+AH24122* SKF24120CC/W33* SKF24122CCK30/W33

用户关注最多的轴承狗热门型号

NACHI  230/750EW33K SKF  N2334 GMN  7217B/DB FLT  7322B KOYO  NU2208 SKF  NKI85/26 INA  GRAE35-NPP-B NTN  7215C SKF  SYJ65KF STEYR  7334B/DT DKF  7236AC/DB TIMKEN  55206/55444D NTN  NU306E IKO  CR10BUU IKO  LME81625UU

版权所有©2009-2015 轴承狗zcgou.com ICP备案:津ICP备14004550号-13