SKF241/1000ECAF/W33轴承详细参数

发布时间:2026-04-15
球面滚子轴承, 圆柱和圆锥孔, 圆柱型内孔, 无密封件
主要数据尺寸 基本负荷额定值 疲劳负荷限值 额定速度 体积 型号
动态 静态 参照速度 限制速度
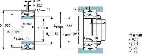
d D B C C0 Pu
mm kN kN r/min kg -
10001580580267006200033501202404300241/1000 ECAF/W33

SKF241/1000ECAF/W33球面滚子轴承供应商

八零动力专业销售241/1000ECAF/W33球面滚子轴承,库存SKF241/1000ECAF/W33大量现货,与SKF合作,咨询热线:022-58519723业务咨询
SKF241/1000ECAF/W33它的轴向游隙控制,精准到令人惊叹 这款轴承的运转十分平稳,几乎感受不到任何震动它的加工精度,确保了机械运转的稳定性 它在包装机械中的应用,确保了设备的高效率 它的旋转精度,让高速运转成为现实 它的抗氧化性能,延长了它的使用寿命 ,八零动力SKF球面滚子轴承品种全,价格优,质量有保证!

用户关注最多的SKF轴承型号

SKF22208CCK/W33 SKF231/670CA/W33 SKF24148CC/W33* SKF305-ZNR SKF6201/HR11QN SKFCR16x40x7CRWR SKFCR25X37X6HMS5RG SKFCR34X44X8HMS5V SKFCR37526 SKFCR76255 SKFN1012KTNHA/HC5SP SKFNKI32/20 SKFNN3013TN/SP SKFNNU4940B/SPW33 SKFOKCX680

241/1000ECAF/W33球面滚子轴承近似的SKF轴承型号

SKF24152CC/W33* SKF24148CCK30/W33* SKF24122CCK30/W33+AH24122* SKF241/630ECAK30/W33 SKF24138-2CS5K30/VT143* SKF24164CCK30/W33* SKF241/630ECAK30/W33+AOH241/630G SKF24188ECAK30/W33+AOH24188* SKF24132-2CS5/VT143* SKF241/800ECAK30/W33 SKF241/1000ECAK30F/W33+AOH241/1000 SKF241/1000ECAK30F/W33

用户关注最多的轴承狗热门型号

SKF  W60/2.5-2Z SKF  CR38X54X10HMS5V STEYR  NUP2310E INA  ZARF60150-L-TV SKF  6028/W64 TIMKEN  23024CJ TIMKEN  NU1056MA LYC  9069464 DKF  7004AC/DF LYC  22248 C/W33YB KOYO  23076RHA KOYO  23030CC/W33 KOYO  7236C/DT NACHI  NU1006 IKO  CRY20V

版权所有©2009-2015 轴承狗zcgou.com ICP备案:津ICP备14004550号-13