SKF24126-2CS5/VT143*轴承详细参数

发布时间:2026-04-15
球面滚子轴承, 圆柱和圆锥孔, 圆柱型内孔, 两面密封件
主要数据尺寸 基本负荷额定值 疲劳负荷限值 额定速度 体积 型号
动态 静态 参照速度 限制速度
d D B C C0 Pu * - SKF Explorer 轴承
mm kN kN r/min kg -
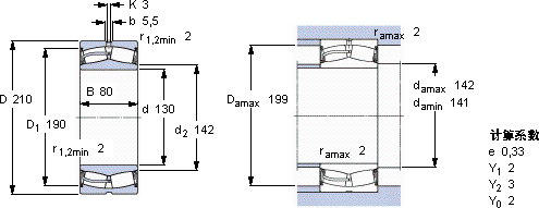
130210806801000100-53011,024126-2CS5/VT143 *

SKF24126-2CS5/VT143*球面滚子轴承供应商

八零动力专业销售24126-2CS5/VT143*球面滚子轴承,库存SKF24126-2CS5/VT143*大量现货,与SKF合作,咨询热线:022-58519723业务咨询
SKF24126-2CS5/VT143*它的微观表面处理,减少了摩擦和磨损 精准运转它的抗震性能,确保了它在振动环境下的可靠性 优秀的设计理念和精湛的制造工艺,成就了这款杰出的轴承质量上乘的轴承,是提升机械设备性能的关键因素这轴承的设计精妙,充分考虑了各种实际应用需求,八零动力SKF球面滚子轴承品种全,价格优,质量有保证!

用户关注最多的SKF轴承型号

SKF3204A-2Z SKF331300 SKF7014CE/P4A SKF7211BECBY SKF81228M SKFCR23841 SKFCR62x90x8CRW1R SKFCR80x125x10CRW1R SKFNATR50PPA SKFSNL3076FTURT SKFSY2.3/16RM SKFTU25FM SKFW13 SKFYEL203-010-2FCW SKFZW42x52

24126-2CS5/VT143*球面滚子轴承近似的SKF轴承型号

SKF24126CCK30/W33* SKF24126CCK30/W33+AH24126* SKF24126-2CS5/VT143* SKF24126CC/W33* SKF24124CC/W33* SKF24126CCK30/W33

用户关注最多的轴承狗热门型号

FAG  AH240/500G-H DKF  7326AC INA  KWSE20-H SKF  CR10X20X6HMS5V INA  KUVE25-SB-ZHP LYC  7214 AC/P5 FAG  BND3076-H-C-Y-BL-S TIMKEN  160FS230-TT TIMKEN  44157X/44348 NSK  90BAR10H NTN  NUP218E TORRINGTON FAFNIR  6204-2RS IKO  KT202611 IKO  IRT6030 IKO  OR101320A

版权所有©2009-2015 轴承狗zcgou.com ICP备案:津ICP备14004550号-13