SKF241/710ECA/W33轴承详细参数

发布时间:2026-04-15
球面滚子轴承, 圆柱和圆锥孔, 圆柱型内孔, 无密封件
主要数据尺寸 基本负荷额定值 疲劳负荷限值 额定速度 体积 型号
动态 静态 参照速度 限制速度
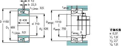
d D B C C0 Pu
mm kN kN r/min kg -
7101150438152003250019001903801900241/710 ECA/W33

SKF241/710ECA/W33球面滚子轴承供应商

八零动力专业销售241/710ECA/W33球面滚子轴承,库存SKF241/710ECA/W33大量现货,与SKF合作,咨询热线:022-58519723业务咨询
SKF241/710ECA/W33它在电子设备中的应用,展现了它的高精密性 质量无可挑剔的轴承,为设备的高效运作提供了有力支持品质永相随旋转无忧它的加工设备,代表了世界领先水平 它在家用电器中的应用,让生活更加便捷 ,八零动力SKF球面滚子轴承品种全,价格优,质量有保证!

用户关注最多的SKF轴承型号

SKF16002/HR22T2 SKF22322E* SKF51107V/HR11Q1 SKF6312-2Z/VA208 SKFCR416503 SKFCR85X110X12HMS5RG SKFCR87817 SKFCR9243 SKFHK2530.2RS SKFNJ208ECJ* SKFNJ2316ECM* SKFNU2224ECP* SKFNUP2210ECML* SKFNUTR15A SKFS71921CD/HCP4A

241/710ECA/W33球面滚子轴承近似的SKF轴承型号

SKF24192ECAK30/W33+AOH24192* SKF24122CCK30/W33* SKF24136CCK30/W33+AH24136* SKF241/800ECAK30/W33+AOH241/800G SKF24134CC/W33* SKF24160CC/W33* SKF24140CCK30/W33+AH24140* SKF24124CCK30/W33+AH24124* SKF24164CCK30/W33+AOH24164* SKF24140CC/W33* SKF241/710ECAK30/W33 SKF241/750ECAK30/W33+AOH241/750G

用户关注最多的轴承狗热门型号

TIMKEN  9124K SKF  PDNB216 SKF  SAF22532 FAG  231SM200-MA SKF  CR25X40X5HMS5V SKF  CR23277 SKF  NUP19/670ECMA SKF  23240CCK/W33+H2340 SKF  PL500 FAG  SNV190-L + 22318-E1-K + H2318X302 + DH518 MRC  6006-2Z INA  PCF20 IKO  TAFI8011025 Stieber  CSK30P-2RS IKO  LME406280F

版权所有©2009-2015 轴承狗zcgou.com ICP备案:津ICP备14004550号-13