SKF24122CCK30/W33+AH24122*轴承详细参数

发布时间:2026-05-30
球面滚子轴承, 带退卸套的
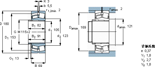
主要数据尺寸 基本负荷额定值 疲劳负荷限值 额定速度 体积 型号
动态 静态 参照速度 限制速度 轴承 +退卸套
d1 D B C C0 Pu
* - SKF Explorer 轴承
mm kN kN r/min kg -
1051806952075078220030007,7024122 CCK30/W33 + AH 24122 *

SKF24122CCK30/W33+AH24122*球面滚子轴承供应商

八零动力专业销售24122CCK30/W33+AH24122*球面滚子轴承,库存SKF24122CCK30/W33+AH24122*大量现货,与SKF合作,咨询热线:022-58519723业务咨询
SKF24122CCK30/W33+AH24122*轴承的耐用性极佳,能够承受高强度的工作负荷轴承的稳定性和可靠性都十分出色,赢得了用户的信赖它的几何精度,让机械运转分毫不差 它的润滑技术,让摩擦降至最低 它的尺寸精度,达到了微米级的极致 卓越的性能表现,让这款轴承在市场上脱颖而出,八零动力SKF球面滚子轴承品种全,价格优,质量有保证!

用户关注最多的SKF轴承型号

SKF22324CCK/W33+H2324* SKF230/950CA/W33 SKF23952CC/W33 SKF29332 SKF51116 SKF7236AC/DT SKFCR15866 SKFCR38X62X10HMSA10RG SKFFSYE4.H-18 SKFK195x205x37 SKFNJ216ECJ* SKFNU1020 SKFSYE2.11/16NH-118 SKFSYH7/8WF SKFWS81276

24122CCK30/W33+AH24122*球面滚子轴承近似的SKF轴承型号

SKF24122CC/W33* SKF24122CCK30/W33* SKF24122CCK30/W33+AH24122* SKF24122-2CS5/VT143* SKF24122CCK30/W33* SKF24122CC/W33

用户关注最多的轴承狗热门型号

SKF  2x7302BECBP MRC  6306-2Z LYC  6201 E-RS/P6Z1 SKF  BK5520 SKF  GEZ308ES-2RS SKF  NA6915 KOYO  6024N KOYO  NU206 BARDEN  71918C/DF 国产  N317ETN1/Z2 RHP  1303 NSK  7218BYDF NSK  7314BYDB DKF  7317B/DB IKO  NBX1725

版权所有©2009-2015 轴承狗zcgou.com ICP备案:津ICP备14004550号-13