SKF23196CAK/W33+OH3196H*轴承详细参数

发布时间:2026-04-14
球面滚子轴承, 带紧定套的
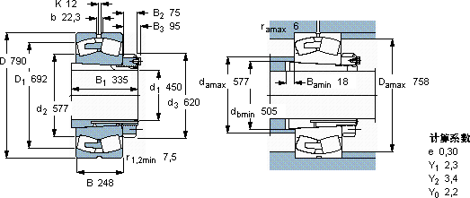
主要数据尺寸 基本负荷额定值 疲劳负荷限值 额定速度 体积 型号
动态 静态 参照速度 限制速度 轴承 + 紧定套
d1 D B C C0 Pu
* - SKF Explorer 轴承
mm kN kN r/min kg -
45079024869501200078040075059023196 CAK/W33 + OH 3196 H *

SKF23196CAK/W33+OH3196H*球面滚子轴承供应商

八零动力专业销售23196CAK/W33+OH3196H*球面滚子轴承,库存SKF23196CAK/W33+OH3196H*大量现货,与SKF合作,咨询热线:022-58519723业务咨询
SKF23196CAK/W33+OH3196H*它的多样化应用,展现了它的无限可能 先进的生产工艺,让这款轴承的性能得到了极大提升轴承的选材优质,确保了其在各种环境下都能稳定工作品质永相随它在医疗设备中的应用,确保了设备的稳定性 它在农业机械中的应用,展现了它的耐用性 ,八零动力SKF球面滚子轴承品种全,价格优,质量有保证!

用户关注最多的SKF轴承型号

SKF23188CAK/W33* SKF24168ECCJ/W33 SKF2x7319BEGBY SKF3306A-2RS1 SKF6006-Z* SKF7206B SKFBT4B334051G/HA1VA901 SKFCR1125111 SKFCR25X35X7HMSA10RG SKFCRMVR1-40 SKFN1012KPHA/SP SKFNNCF4956CV SKFSILKAC20M SKFSYM2.1/2TF/AH SKFSYNT55FTF

23196CAK/W33+OH3196H*球面滚子轴承近似的SKF轴承型号

SKF23196CAK/W33+OH3196H* SKF23196CA/W33* SKF23196CAK/W33* SKF23196CAK/W33+AOHX3196G* SKF23196CAK/W33+AOHX3196G* SKF23196CA/W33

用户关注最多的轴承狗热门型号

INA  KUVE30-B-KT-HL SKF  5412A NACHI  1220 ASAHI  UKFU212+H2312 INA  GK60-DO NTN  NK25/16 INA  SL024976 INA  GAKR12-PB RHP  7228B/DF SKF  319426DA-2LS SKF  22317EJA/VA406 SKF  81103 NSK  1214 NMB  RF-1350ZZW05 KOYO  F698

版权所有©2009-2015 轴承狗zcgou.com ICP备案:津ICP备14004550号-13