SKF7084BGM轴承详细参数

发布时间:2026-05-30
角接触球轴承, 单列
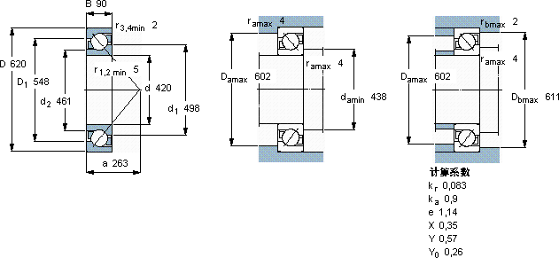
主要数据尺寸 尺寸 [英寸] 疲劳负荷限值 额定速度 体积 型号
动态 静态 参照速度 限制速度
d D B C C0 Pu
mm kN kN r/min kg -
420620905401060201000100095,07084 BGM

SKF7084BGM角接触球轴承供应商

八零动力专业销售7084BGM角接触球轴承,库存SKF7084BGM大量现货,与SKF合作,咨询热线:022-58519723业务咨询
SKF7084BGM设计合理、性能优良的它,是机械设备稳定运行的重要保障旋转无忧先进的生产工艺,让这款轴承的性能得到了极大提升轴承的稳定性和可靠性表现出色,赢得了用户的高度认可品质卓越的它,为机械设备的稳定、高效运行提供了支持这轴承的设计简直精妙绝伦,每一处细节都彰显着极致的工艺美学,八零动力SKF角接触球轴承品种全,价格优,质量有保证!

用户关注最多的SKF轴承型号

SKF31313 SKF6208/HR11TN SKF62/22-2RS1 SKF7002AC/DB SKF7017C/DF SKF7209ACD/HCP4A SKFC71924DB/P7 SKFCR14035 SKFCR22441 SKFCR48X68X10HMS5V SKFFYT7/8TF SKFGS89306 SKFM84548/2/510/2/QVQ506 SKFNNU49/600BK/SPW33X SKFPFT3/4TR

7084BGM角接触球轴承近似的SKF轴承型号

SKF2x7084BGM SKF7084AM SKF7084BGM SKF7084AM SKF70876AMB

用户关注最多的轴承狗热门型号

INA  APLSE55-OE LYC  352960 X2/P5C9 NSK  2320K SKF  CR25X50X10HMSA10V NTN  23124CCK/33+H3124 FAG  BND3060-Z-T-AL-S 国产  N650L FAG  32208-A RIV  N2324 STEYR  NU332E FAG  SNV052-L + 1304-TVH + DH304 FAG  SNV120-L + 22311-E1-K + H2311X200 + FSV611 TORRINGTON&FAFNIR  6202-2Z KOYO  22319CC/W33 IKO  LRT606825

版权所有©2009-2015 轴承狗zcgou.com ICP备案:津ICP备14004550号-13