SKF24026CCK30/W33+AH24026*轴承详细参数

发布时间:2026-05-30
球面滚子轴承, 带退卸套的
主要数据尺寸 基本负荷额定值 疲劳负荷限值 额定速度 体积 型号
动态 静态 参照速度 限制速度 轴承 +退卸套
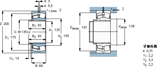
d1 D B C C0 Pu
* - SKF Explorer 轴承
mm kN kN r/min kg -
1252006954081581,5200030008,6524026 CCK30/W33 + AH 24026 *

SKF24026CCK30/W33+AH24026*球面滚子轴承供应商

八零动力专业销售24026CCK30/W33+AH24026*球面滚子轴承,库存SKF24026CCK30/W33+AH24026*大量现货,与SKF合作,咨询热线:022-58519723业务咨询
SKF24026CCK30/W33+AH24026*它在包装机械中的应用,确保了设备的高效率 它机械世界的心脏,默默支撑着无数设备的运转 它在冶金设备中的应用,确保了设备的高温性能 是机械世界的璀璨明星,轴承的耐用性出色,能够长时间保持良好的工作状态它的圆度误差几乎可以忽略不计 ,八零动力SKF球面滚子轴承品种全,价格优,质量有保证!

用户关注最多的SKF轴承型号

SKF22218E/W64* SKF23132CC/W33* SKF23952CCK/W33 SKF248/1120CAFA/W20 SKF31324XJ2/DF SKF61815 SKF7418CBM SKFCR84781 SKFFYT1.5/16TF SKFIR30x38x20IS1 SKFM125x2 SKFM349547/510 SKFNNCL4860CV SKFQJ228N2MA SKFSAW23534X5.13/16

24026CCK30/W33+AH24026*球面滚子轴承近似的SKF轴承型号

SKF24026CCK30/W33* SKF24026-2CS5/VT143* SKF24026CC/W33* SKF24026CCK30/W33+AH24026* SKF24026CCK30/W33* SKF24026CC/W33

用户关注最多的轴承狗热门型号

FAG  NU304-E-TVP2 INA  KX24-PP SKF  CR99349 STEYR  6301-ZN RHP  6416 NACHI  744/742 FAG  BND3234-H-C-Y-AF-S LYC  23152 CC/W33 NTN  RNA4832 LYC  HM 212011 TORRINGTON  23238CC/W33 SKF  CR57584 SKF  NUP306ECP IKO  SBB48 IKO  CR26VBR

版权所有©2009-2015 轴承狗zcgou.com ICP备案:津ICP备14004550号-13