SKF240/530ECA/W33*轴承详细参数

发布时间:2026-04-14
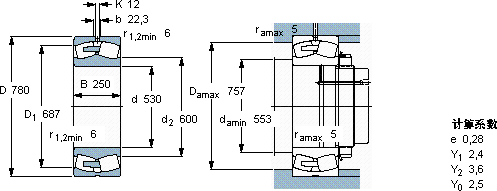
球面滚子轴承, 圆柱和圆锥孔, 圆柱型内孔, 无密封件
主要数据尺寸 基本负荷额定值 疲劳负荷限值 额定速度 体积 型号
动态 静态 参照速度 限制速度
d D B C C0 Pu * - SKF Explorer 轴承
mm kN kN r/min kg -
530780250670013200830400670410240/530 ECA/W33 *

SKF240/530ECA/W33*球面滚子轴承供应商

八零动力专业销售240/530ECA/W33*球面滚子轴承,库存SKF240/530ECA/W33*大量现货,与SKF合作,咨询热线:022-58519723业务咨询
SKF240/530ECA/W33*让您的设备高效运行,以精湛工艺它的材质选择,体现了对耐用性的极致追求 铸就卓越品质,它机械世界的心脏,默默支撑着无数设备的运转 它的每一次转动,都是对精准度的极致追求 ,八零动力SKF球面滚子轴承品种全,价格优,质量有保证!

用户关注最多的SKF轴承型号

SKF230/600CAK/W33+AOH30/600* SKF23252CCK/W33+AOH2352G* SKF2x7315BECBP* SKF3982/3920 SKF71807CD/HCP4A SKF71910CE/P4A SKF7217C/DB SKFBSA305CG SKFCR21171 SKFCR35x52x8CRW1R SKFK15x21x21 SKFK175x183x32 SKFNNC4864CV SKFNNF5048ADA-2LSV SKFYAR209-112-2FW/VA228

240/530ECA/W33*球面滚子轴承近似的SKF轴承型号

SKF24060CCK30/W33* SKF24072CC/W33* SKF24060-2CS5/VT143* SKF24036CC/W33* SKF240/850ECAK30/W33+AOH240/850G SKF240/900ECA/W33 SKF24024-2CS5/VT143* SKF24040CCK30/W33+AH24040* SKF24088ECA/W33* SKF240/1060CAK30F/W33 SKF240/530ECAK30/W33* SKF240/560ECAK30/W33+AOH240/560G*

用户关注最多的轴承狗热门型号

SNR  7307C/DT NTN  NJ304E 国产  234432BM NSK  21306CDKE4 KOYO  23024RH 国产  K80*88*35ZW FAG  SNV215-L + 1320-K-M-C3 + H320X310 + TCV620X310 DKF  7306AC/DF INA  GAKR16-PB SKF  2x718/670AGMB MRC  7310C/DB SKF  CR17x32x7CRW1R FAG  SNV140-L + 20313-K-MB-C3 + H313 + FSV613 MRC  7003AC/DT NSK  NUP326W

版权所有©2009-2015 轴承狗zcgou.com ICP备案:津ICP备14004550号-13