SKF24088ECAK30/W33*轴承详细参数

发布时间:2026-05-30
球面滚子轴承, 圆柱和圆锥孔, 圆锥型内孔, 无密封件
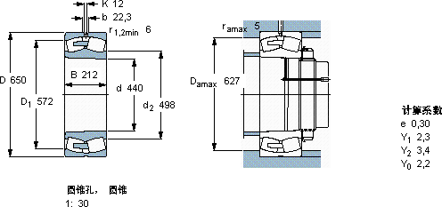
主要数据尺寸 基本负荷额定值 疲劳负荷限值 额定速度 体积 型号
动态 静态 参照速度 限制速度
d D B C C0 Pu * - SKF Explorer 轴承
mm kN kN r/min kg -
4406502124800915063050085024024088 ECAK30/W33 *

SKF24088ECAK30/W33*球面滚子轴承供应商

八零动力专业销售24088ECAK30/W33*球面滚子轴承,库存SKF24088ECAK30/W33*大量现货,与SKF合作,咨询热线:022-58519723业务咨询
SKF24088ECAK30/W33*它的质量卓越,为机械设备的安全运行保驾护航轴承的耐用性极佳,为设备的长期稳定运行提供了保障它的密封性能,完美抵御灰尘和杂质的侵袭 它的材质选择,体现了对耐用性的极致追求 优秀的设计让这款轴承在运行时更加高效节能先进的制造技术和严格的质量控制,造就了这款优质轴承,八零动力SKF球面滚子轴承品种全,价格优,质量有保证!

用户关注最多的SKF轴承型号

SKF239/900CA/W33* SKF61811-RZ SKF71913ACD/HCP4A SKF7203ACD/P4A SKF7338B/DF SKFCR1150550 SKFCR17413 SKFCR42X55X8CRW1R SKFGS81172 SKFNJ2316ECP SKFNNU4940BK/SPW33 SKFP72R-1.1/8RM SKFPCM283225M SKFSIL50TXE-2LS SKFW6305-2RS1

24088ECAK30/W33*球面滚子轴承近似的SKF轴承型号

SKF24088ECAK30/W33* SKF24088ECAK30/W33+AOH24088* SKF24088ECA/W33* SKF24088CAC/W33 SKF24088ECAK30/W33+AOH24088*

用户关注最多的轴承狗热门型号

FAG  AH2356G-H SKF  1726210-2RS1 STEYR  7308B/DF NACHI  E12751 SKF  C4130K30V+AH24130* SKF  RNA6910 TORRINGTON  UEL207 SKF  SNW124x4.1/4 SKF  71908CD/P4A STEYR  NJ2230 LYC  23164 CA/W33 BARDEN  7215AC/DF NSK  QJ317 RHP  7202B/DB IKO  CRB25040

版权所有©2009-2015 轴承狗zcgou.com ICP备案:津ICP备14004550号-13