SKF240/1060CAF/W33轴承详细参数

发布时间:2026-04-14
球面滚子轴承, 圆柱和圆锥孔, 圆柱型内孔, 无密封件
主要数据尺寸 基本负荷额定值 疲劳负荷限值 额定速度 体积 型号
动态 静态 参照速度 限制速度
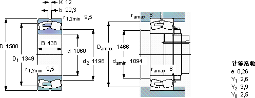
d D B C C0 Pu
mm kN kN r/min kg -
10601500438173004550025001502602515240/1060 CAF/W33

SKF240/1060CAF/W33球面滚子轴承供应商

八零动力专业销售240/1060CAF/W33球面滚子轴承,库存SKF240/1060CAF/W33大量现货,与SKF合作,咨询热线:022-58519723业务咨询
SKF240/1060CAF/W33其设计和制造都达到了极高的水准,是一款不可多得的轴承这轴承的制造工艺精湛,展现出了极高的工业水准它的抗氧化性能,延长了它的使用寿命 它的模块化设计,让安装和更换变得轻松便捷 它的稳定性,让它在各种环境下都能可靠工作 承载重托,八零动力SKF球面滚子轴承品种全,价格优,质量有保证!

用户关注最多的SKF轴承型号

SKF22318EJA/VA405 SKF249/1180CAK30F/W33 SKF6009-RS1* SKFC4034K30V* SKFC3996KM* SKFC4130K30V+AH24130* SKFCR13918 SKFCR19746 SKFCR28X42X8HMS5RG SKFMBL30 SKFNA6906 SKFNKI25/20 SKFPDNB210 SKFSAF22626x4.3/8 SKFSIQG125ES

240/1060CAF/W33球面滚子轴承近似的SKF轴承型号

SKF24056CCK30/W33+AOH24056G* SKF24064CCK30/W33* SKF24028CCK30/W33* SKF24022-2CS/VT143* SKF240/630ECK30J/W33+AOH240/630G* SKF24076CC/W33* SKF24040CCK30/W33* SKF24092ECAK30/W33+AOH24092* SKF24076CCK30/W33+AOH24076* SKF24028CC/W33* SKF240/1060CAK30F/W33+AOH240/1060 SKF240/1060CAK30F/W33

用户关注最多的轴承狗热门型号

SKF  24172ECCK30J/W33* SKF  OKCX600 SNR  3306 SKF  CR18X30X6HMS5V STEYR  NUP319 NTN  24140CC/W33 LYC  NN 3080K/W33C9 LYC  240/1000/W33YB-1 LYC  61930 M INA  GAR80-UK-2RS SNR  6203-2RS TIMKEN  M224748/M224710DC NACHI  SN228C FAG  HCS71921-E-T-P4S IKO  BSP20-60SL

版权所有©2009-2015 轴承狗zcgou.com ICP备案:津ICP备14004550号-13