SKF16004*轴承详细参数

发布时间:2026-04-29
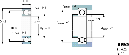
深沟球轴承, 单列, 无密封件
主要数据尺寸 基本负荷额定值 疲劳负荷限值 额定速度 体积 型号
动态 静态 参照速度 限制速度
d D B C C0 Pu * - SKF Explorer 轴承
mm kN kN r/min kg -
204287,284,050,17338000240000,0516004 *

SKF16004*深沟球轴承供应商

八零动力专业销售16004*深沟球轴承,库存SKF16004*大量现货,与SKF合作,咨询热线:022-58519723业务咨询
SKF16004*先进的制造工艺,让这款轴承的性能更加稳定可靠轴承的耐用性出色,能够长时间保持良好的工作状态精准运转质量无可比拟的轴承,在行业内树立了良好的品质标杆制造工艺精湛,使得这款轴承的精度、稳定性和耐用性都非常出色它的沟槽设计,完美匹配滚动体的运动轨迹 ,八零动力SKF深沟球轴承品种全,价格优,质量有保证!

用户关注最多的SKF轴承型号

SKF2312K+H2312 SKF231/560CAK/W33+OH31/560H* SKF32220 SKF7020ACE/P4A SKFBT2B334085/HA1VA901 SKFCR135X170X12HMS5RG SKFCR22835 SKFHK0912 SKFIR90x100x30 SKFPCM303425E SKFRNA2201.2RS SKFSALA60ES-2RS SKFSNW15x2.3/8 SKFSY15FM SKFYET212-207

16004*深沟球轴承近似的SKF轴承型号

SKF16004* SKF16003/HR22T2 SKF16004/HR11QN

用户关注最多的轴承狗热门型号

NACHI  NF206 SKF  BK0808 SNR  7007AC/DT TIMKEN  100RIN433 LYC  6044 M/P5 FAG  SNV180-L + 1220-K-M-C3 + H220X311 + FSV520X311 INA  WS81140 KOYO  1307K+H307 KOYO  NU205E TIMKEN  SM1208K LYC  NU 1024 MC3S1 TIMKEN  GYAE55RR TIMKEN  90RIT399 RIV  NU2220 IKO  TLAW2538Z

版权所有©2009-2015 轴承狗zcgou.com ICP备案:津ICP备14004550号-13