SKF23992CAK/W33+OH3992H*轴承详细参数

发布时间:2026-04-15
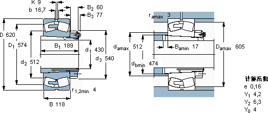
球面滚子轴承, 带紧定套的
主要数据尺寸 基本负荷额定值 疲劳负荷限值 额定速度 体积 型号
动态 静态 参照速度 限制速度 轴承 + 紧定套
d1 D B C C0 Pu
* - SKF Explorer 轴承
mm kN kN r/min kg -
43062011825005000355600100016023992 CAK/W33 + OH 3992 H *

SKF23992CAK/W33+OH3992H*球面滚子轴承供应商

八零动力专业销售23992CAK/W33+OH3992H*球面滚子轴承,库存SKF23992CAK/W33+OH3992H*大量现货,与SKF合作,咨询热线:022-58519723业务咨询
SKF23992CAK/W33+OH3992H*旋转无忧精密与耐用的完美结合,卓越的性能表现,让这款轴承在市场上脱颖而出高精度的制造工艺,让这款轴承的性能更加出色该轴承的性能卓越,完全满足了各种严苛工况的需求它的可回收性,体现了环保理念 ,八零动力SKF球面滚子轴承品种全,价格优,质量有保证!

用户关注最多的SKF轴承型号

SKF1307EKTN9 SKF294/500EM SKF32311J2 SKF6303/HR22T2 SKF6310-2RS1/HC5C3WT SKF7002ACD/HCP4A SKF71800ACD/HCP4 SKFBT4-8020G/HA1VA901 SKFC5020-2CS5V* SKFCR11736 SKFCR19219 SKFCR25X40X8HMSA10RG SKFCR90X120X12HMSA10V SKFNU2228ECML SKFYAR206-103-2FW/VA201

23992CAK/W33+OH3992H*球面滚子轴承近似的SKF轴承型号

SKF23992CA/W33* SKF23992CAK/W33* SKF23992CAK/W33+OH3992H* SKF23992CAK/W33* SKF23992CA/W33

用户关注最多的轴承狗热门型号

SKF  TVN315WA TIMKEN  HM516448/HM516410 RHP  7218C NSK  7005CTYNP5 SKF  CR24X40X7HMSA10RG NSK  6010T1XVV FYH  UCP328 SKF  22336CCJA/W33VA405 TIMKEN  23136YM 国产  6319-RS/Z2 NSK  LM4530 ZKL  7336B FAG  23032-E1-K-TVPB + AH3032 SKF  KMFE20 IKO  NA4822

版权所有©2009-2015 轴承狗zcgou.com ICP备案:津ICP备14004550号-13