SKF232/710CA/W33轴承详细参数

发布时间:2026-04-09
球面滚子轴承, 圆柱和圆锥孔, 圆柱型内孔, 无密封件
主要数据尺寸 基本负荷额定值 疲劳负荷限值 额定速度 体积 型号
动态 静态 参照速度 限制速度
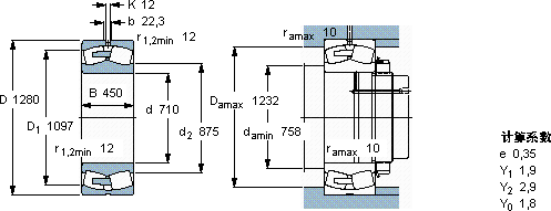
d D B C C0 Pu
mm kN kN r/min kg -
7101280450176003450020002003202610232/710 CA/W33

SKF232/710CA/W33球面滚子轴承供应商

八零动力专业销售232/710CA/W33球面滚子轴承,库存SKF232/710CA/W33大量现货,与SKF合作,咨询热线:022-58519723业务咨询
SKF232/710CA/W33它的旋转精度,让高速运转成为现实 轴承的耐用性极佳,能够承受高强度的工作负荷这轴承的设计精妙,充分考虑了各种实际应用需求为您创造更多可能,先进的制造技术和严格的质量检测,造就了这款优质轴承它在医疗设备中的应用,确保了设备的稳定性 ,八零动力SKF球面滚子轴承品种全,价格优,质量有保证!

用户关注最多的SKF轴承型号

SKF22217CC/W33 SKF231/530CAK/W33* SKF6216N* SKF7211B/DF SKFBD1-8000 SKFC3096M* SKFC31/530KM/HA3C4* SKFNCF28/560V SKFNJ2215ECML* SKFNJ332ECMA* SKFNNU6952V SKFQJ1092N2MA SKFS71910FB/P7 SKFSAFC3056KAx10.1/2 SKFYEL205-015-2F

232/710CA/W33球面滚子轴承近似的SKF轴承型号

SKF23224CC/W33* SKF23272CA/W33* SKF22232CCK/W33+H3132* SKF23260CCK/W33+AOH3260G* SKF22322EJA/VA405* SKF23228-2CS5/VT143* SKF23248CCK/W33+OH2348H* SKF23222CCK/W33+AHX3222G* SKF22326CCK/W33+H2326* SKF23296CAK/W33+AOHX3296G* SKF232/710CAK/W33 SKF232/750CAKF/W33+AOH32/750

用户关注最多的轴承狗热门型号

GMN  7205C BARDEN  7244AC NACHI  6312NKE TIMKEN  3586/3520 SKF  SAF22616x2.3/4 STEYR  QJ312 NTN  NUP320E TIMKEN  140RF51 SKF  S7020ACD/P4A SKF  CR592934 NTN  30220 NACHI  51107 TIMKEN  AS5K NTN  1305 IKO  BA2110Z

版权所有©2009-2015 轴承狗zcgou.com ICP备案:津ICP备14004550号-13