SKF22232CCK/W33+H3132*轴承详细参数

发布时间:2026-04-29
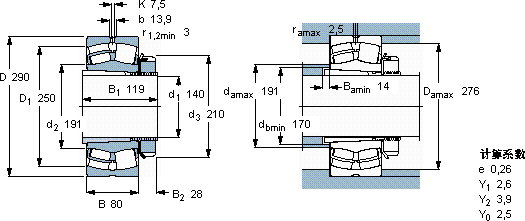
球面滚子轴承, 带紧定套的
主要数据尺寸 基本负荷额定值 疲劳负荷限值 额定速度 体积 型号
动态 静态 参照速度 限制速度 轴承 + 紧定套
d1 D B C C0 Pu
* - SKF Explorer 轴承
mm kN kN r/min kg -
14029080100012901182000280029,322232 CCK/W33 + H 3132 *

SKF22232CCK/W33+H3132*球面滚子轴承供应商

八零动力专业销售22232CCK/W33+H3132*球面滚子轴承,库存SKF22232CCK/W33+H3132*大量现货,与SKF合作,咨询热线:022-58519723业务咨询
SKF22232CCK/W33+H3132*稳定旋转的核心力量它的微观表面处理,减少了摩擦和磨损 不得不说,这款轴承的品质过硬,在行业内堪称典范,它的表面硬化处理,延长了它的使用寿命 它的可回收性,减少了废弃物处理成本 畅享稳定顺滑的旋转之旅,,八零动力SKF球面滚子轴承品种全,价格优,质量有保证!

用户关注最多的SKF轴承型号

SKF32222J2 SKF71813CD/HCP4A SKF81164M SKFC3140K/HA3C4* SKFCR25065 SKFCR35X65X12CRSA1R SKFCR412503 SKFCR84730 SKFK80x88x30 SKFNU1015 SKFPCM8590100E SKFSILKB22F SKFSYH1.TF SKFW6306-2Z SKFYAR214-2F

22232CCK/W33+H3132*球面滚子轴承近似的SKF轴承型号

SKF22232CCK/W33+AH3132G* SKF22232-2CS5/VT143* SKF22232CC/W33* SKF22232CCK/W33* SKF22232CCK/W33+H3132* SKF22232-2CS5K/VT143* SKF22232CCK/W33+AH3132G* SKF22232CC/W33

用户关注最多的轴承狗热门型号

NSK  6302DDU SKF  NJ319ECP NSK  29468 国产  87422X2 MRC  7311B FAG  BND2280-H-C-T-BF-S NACHI  NN3038 TIMKEN  HM89249/HM89210 SKF  SNL3160/10.15/16TURT SKF  CR14972 ZKL  NJ2234 国产  NATR40X DKF  7217B/DB ASAHI  UCFU311 STEYR  NUP419

版权所有©2009-2015 轴承狗zcgou.com ICP备案:津ICP备14004550号-13