SKF232/670CA/W33轴承详细参数

发布时间:2026-05-30
球面滚子轴承, 圆柱和圆锥孔, 圆柱型内孔, 无密封件
主要数据尺寸 基本负荷额定值 疲劳负荷限值 额定速度 体积 型号
动态 静态 参照速度 限制速度
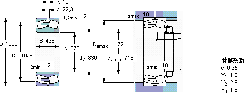
d D B C C0 Pu
mm kN kN r/min kg -
6701220438154003050017002203602270232/670 CA/W33

SKF232/670CA/W33球面滚子轴承供应商

八零动力专业销售232/670CA/W33球面滚子轴承,库存SKF232/670CA/W33大量现货,与SKF合作,咨询热线:022-58519723业务咨询
SKF232/670CA/W33其质量上乘,是众多机械设备不可或缺的优质配件先进的制造工艺,让这款轴承的性能更加稳定可靠稳定持久高精度的制造工艺,让这款轴承的性能更加出色优秀的设计和卓越的性能,让这款轴承备受青睐成就非凡转动体验让您的设备一顺到底,,八零动力SKF球面滚子轴承品种全,价格优,质量有保证!

用户关注最多的SKF轴承型号

SKF23980CCK/W33+OH3980H* SKF294/530 SKF2x7318BECBM* SKF6016-2RS1* SKF6206-2Z/VA228 SKF7020ACD/P4A SKFBT2B332501/HA5 SKFC2234* SKFCR21128 SKFCR35096 SKFCR85384 SKFE2.22211K SKFHE311B SKFN1014KTN/SP SKFWS81234

232/670CA/W33球面滚子轴承近似的SKF轴承型号

SKF23224CCK/W33* SKF22326CCJA/W33VA406* SKF23288CAK/W33+OH3288H* SKF232/710CAK/W33+AOH32/710G SKF232/600CAK/W33+AOH32/600G SKF23218CCK/W33* SKF22322E* SKF23236CCK/W33+H2336* SKF22326CC/W33* SKF23234CCK/W33+H2334* SKF232/670CAK/W33 SKF232/710CAK/W33+AOH32/710G

用户关注最多的轴承狗热门型号

INA  GE20-AW SKF  SY55TF/VA228 TIMKEN  497/493 SKF  Z208F SKF  IR45x52x40 SKF  4305ATN9 TIMKEN  GCE60KRRB 国产  22238CKM ASK  NU418 SKF  24034CCK30/W33+AH24034* GMN  7207AC/DT KOYO  231/500RK+AHX31/500 SKF  CR406003 FLT  NU414 IKO  BR303920

版权所有©2009-2015 轴承狗zcgou.com ICP备案:津ICP备14004550号-13