SKF232/600CA/W33轴承详细参数

发布时间:2026-04-15
球面滚子轴承, 圆柱和圆锥孔, 圆柱型内孔, 无密封件
主要数据尺寸 基本负荷额定值 疲劳负荷限值 额定速度 体积 型号
动态 静态 参照速度 限制速度
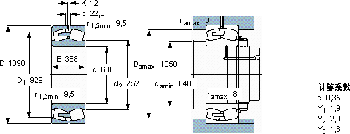
d D B C C0 Pu
mm kN kN r/min kg -
6001090388131002550015602604001600232/600 CA/W33

SKF232/600CA/W33球面滚子轴承供应商

八零动力专业销售232/600CA/W33球面滚子轴承,库存SKF232/600CA/W33大量现货,与SKF合作,咨询热线:022-58519723业务咨询
SKF232/600CA/W33为您的机械提供持久动力,它的耐磨性能,让它在恶劣环境下依然稳定运行 给您意想不到的顺畅体验,这轴承的制造工艺精湛,展现出了极高的工业水准这款轴承的运转平稳,几乎听不到任何噪音,令人惊艳卓越的性能和可靠的质量,让这款轴承成为市场的宠儿,八零动力SKF球面滚子轴承品种全,价格优,质量有保证!

用户关注最多的SKF轴承型号

SKF22334CCJA/W33VA406 SKF23280CA/W33 SKF23944CCK/W33 SKF2x7316BEGAY SKF2x7344BCBM SKF332096E/C725* SKF618/6 SKF6303/HR11TN SKF71934C/DB SKFCR12609 SKFCR32X43X7HMSA10V SKFCR99161 SKFH313E SKFHM903249/W/210/QCL7C SKFPCM220225100M

232/600CA/W33球面滚子轴承近似的SKF轴承型号

SKF232/500CA/W33* SKF23252CCK/W33+AOH2352G* SKF23236CCK/W33+AH3236G* SKF23232CCK/W33+H2332* SKF23222CCK/W33* SKF22328CCK/W33+AHX2328G* SKF22320EK+AHX2320* SKF23238CC/W33* SKF23268CAK/W33+OH3268H* SKF22328CC/W33* SKF232/600CAK/W33 SKF232/670CAK/W33+AOH32/670G

用户关注最多的轴承狗热门型号

SKF  30215T70J2/DBC270 GMN  7303B/DB LYC  N 218 M/P5 NSK  NU2214ET NACHI  6306NR STEYR  NJ326E FAG  SNV120-L + 2213-K-TVH-C3 + H313X203 + FSV513X203 SKF  NA4903 SKF  CR24X37X7HMSA10RG NACHI  N326 FAG  SNV180-L + 22317-E1-K + H2317X300 + FSV617X300 SKF  CR41X56X7HMSA10V FAG  2316-M SKF  NCF2926CV TORRINGTON  21308CC

版权所有©2009-2015 轴承狗zcgou.com ICP备案:津ICP备14004550号-13