SKF23292CAK/W33+OH3292H*轴承详细参数

发布时间:2026-04-15
球面滚子轴承, 带紧定套的
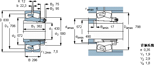
主要数据尺寸 基本负荷额定值 疲劳负荷限值 额定速度 体积 型号
动态 静态 参照速度 限制速度 轴承 + 紧定套
d1 D B C C0 Pu
* - SKF Explorer 轴承
mm kN kN r/min kg -
43083029685001370088040056079023292 CAK/W33 + OH 3292 H *

SKF23292CAK/W33+OH3292H*球面滚子轴承供应商

八零动力专业销售23292CAK/W33+OH3292H*球面滚子轴承,库存SKF23292CAK/W33+OH3292H*大量现货,与SKF合作,咨询热线:022-58519723业务咨询
SKF23292CAK/W33+OH3292H*轴承的精度极高,使得设备的运行误差被控制在极小范围内它的材质选择,体现了对耐用性的极致追求 它在纺织机械中的应用,确保了设备的高速运转 轴承的耐用性出色,能够长时间保持良好的工作状态这款轴承的性能卓越,有效提高了设备的运行可靠性轴承的稳定性和可靠性表现出色,赢得了用户的高度认可,八零动力SKF球面滚子轴承品种全,价格优,质量有保证!

用户关注最多的SKF轴承型号

SKF3302A-Z SKF331094A SKF61938MA SKF6248 SKF7215ACD/P4A SKFCR30x72x8CRW1R SKFCR34887 SKFCR90x140x12CRWA1R SKFFSNL317TURU SKFHE210 SKFM115x2 SKFNCF2238V SKFNJ309ECP SKFNNF5026ADA-2LSV SKFYAR211-200-2FW/VA201

23292CAK/W33+OH3292H*球面滚子轴承近似的SKF轴承型号

SKF23292CAK/W33+OH3292H* SKF23292CAK/W33* SKF23292CAK/W33+AOHX3292G* SKF23292CA/W33* SKF23292CAK/W33+AOHX3292G* SKF23292CA/W33

用户关注最多的轴承狗热门型号

FAG  N306-E-TVP2 SKF  BCSB322810 LYC  YRT580 NACHI  2311 SKF  FYTBKC25NTR/VE495 TORRINGTON&FAFNIR  6317-2Z MRC  7015C/DT NACHI  SN526F MAC  N320 SKF  BEAM030100-2RS SKF  6316 FAG  BND3164-H-W-T-AL-S SKF  CR4950 IKO  AZ12022039 IKO  IRT3230-1

版权所有©2009-2015 轴承狗zcgou.com ICP备案:津ICP备14004550号-13