SKF232/500CA/W33*轴承详细参数

发布时间:2026-04-14
球面滚子轴承, 圆柱和圆锥孔, 圆柱型内孔, 无密封件
主要数据尺寸 基本负荷额定值 疲劳负荷限值 额定速度 体积 型号
动态 静态 参照速度 限制速度
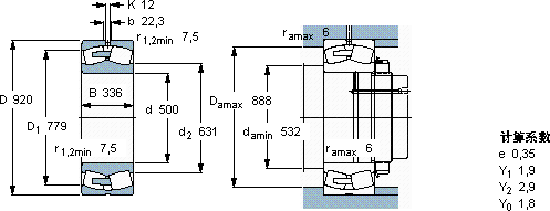
d D B C C0 Pu * - SKF Explorer 轴承
mm kN kN r/min kg -
50092033610600173001060360500985232/500 CA/W33 *

SKF232/500CA/W33*球面滚子轴承供应商

八零动力专业销售232/500CA/W33*球面滚子轴承,库存SKF232/500CA/W33*大量现货,与SKF合作,咨询热线:022-58519723业务咨询
SKF232/500CA/W33*这轴承的设计简直精妙绝伦,每一处细节都彰显着极致的工艺美学它的轻量化设计,减少了材料的使用 卓越的设计和可靠的性能,是这款轴承的两大亮点它的抗氧化性能,延长了它的使用寿命 转动世界的精密之选,让您的机械如虎添翼,,八零动力SKF球面滚子轴承品种全,价格优,质量有保证!

用户关注最多的SKF轴承型号

SKF239/750CA/W33 SKF32938T122/DBCG SKF61948MA SKF71918CE/HCP4A SKFCR100X120X12HMSA10RG SKFCR19803 SKFCR62X80X10HMSA10RG SKFCR950x980x18HDS1R SKFHN4520 SKFNNCL4922CV SKFNU19/600ECMA/HA1 SKFPCM070910E SKFW18 SKFYEL205-2F SKFYET208

232/500CA/W33*球面滚子轴承近似的SKF轴承型号

SKF23276CA/W33* SKF232/600CAK/W33+AOH32/600G SKF23222CCK/W33* SKF23264CC/W33* SKF23226CCK/W33+H2326 SKF232/750CAF/W33 SKF232/710CAK/W33+OH32/710H SKF22232-2CS5K/VT143* SKF22322EK* SKF23252CCK/W33+AOH2352G* SKF232/500CAK/W33* SKF232/530CAK/W33+AOH32/530G

用户关注最多的轴承狗热门型号

LYC  16010 NACHI  22318AEXK SKF  CR16386 国产  6312-2RS NACHI  5215AN 国产  625-2Z INA  PAP100115-P11 SKF  KR22B NTN  61919-RZ TIMKEN  45285/45220 NACHI  6208ZE NACHI  21310EK 国产  FC90110300 NSK  F682X IKO  TRU153320UU

版权所有©2009-2015 轴承狗zcgou.com ICP备案:津ICP备14004550号-13