SKF23218CCK/W33+AHX3218*轴承详细参数

发布时间:2026-04-09
球面滚子轴承, 带退卸套的
主要数据尺寸 基本负荷额定值 疲劳负荷限值 额定速度 体积 型号
动态 静态 参照速度 限制速度 轴承 +退卸套
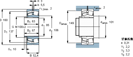
d1 D B C C0 Pu
* - SKF Explorer 轴承
mm kN kN r/min kg -
8516052,435544048280038005,0023218 CCK/W33 + AHX 3218 *

SKF23218CCK/W33+AHX3218*球面滚子轴承供应商

八零动力专业销售23218CCK/W33+AHX3218*球面滚子轴承,库存SKF23218CCK/W33+AHX3218*大量现货,与SKF合作,咨询热线:022-58519723业务咨询
SKF23218CCK/W33+AHX3218*它的使用寿命,远超同类产品 转动精彩它的润滑技术,减少了润滑剂的使用 优秀的设计理念和精湛的制造工艺,成就了这款杰出的轴承高品质的轴承,在复杂工况下也能展现出卓越的性能就是选择高效与可靠,八零动力SKF球面滚子轴承品种全,价格优,质量有保证!

用户关注最多的SKF轴承型号

SKF15578/15520 SKF16004* SKF22211E* SKF3304A-2ZTN9/MT33* SKF331157A SKF71912CD/P4A SKFAHX320 SKFCR26X37X7HMSA10V SKFCR38X72X10HMS5V SKFFY2.7/16TF/VA201 SKFGS81215 SKFNK25/16 SKFKMT13 SKFSYE2.11/16NH SKFWS81217

23218CCK/W33+AHX3218*球面滚子轴承近似的SKF轴承型号

SKF23218CCK/W33+H2318* SKF23218CCK/W33+AHX3218* SKF23218-2CS/VT143* SKF23218CCK/W33* SKF23218CC/W33* SKF23218CCK/W33* SKF23218CCK/W33+H2318*

用户关注最多的轴承狗热门型号

FAG  H2356X-HG NTN  NJ2214 GMN  7005AC/DT BARDEN  7203C/DB KOYO  3310 SKF  FSYE2.11/16-3 FAG  SD3156-H-TS-BF-L + 231SM260-MA SKF  CR32X47X6HMSA10V SKF  W6003-2RS1 SKF  NU1056MA SKF  GX25F FAG  SNV190-L + 20318-K-MB-C3 + H318 + DHV518 TIMKEN  96900/96140 IKO  BA1510Z IKO  NURT17R

版权所有©2009-2015 轴承狗zcgou.com ICP备案:津ICP备14004550号-13