SKF231/750CA/W33轴承详细参数

发布时间:2026-04-14
球面滚子轴承, 圆柱和圆锥孔, 圆柱型内孔, 无密封件
主要数据尺寸 基本负荷额定值 疲劳负荷限值 额定速度 体积 型号
动态 静态 参照速度 限制速度
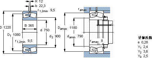
d D B C C0 Pu
mm kN kN r/min kg -
7501220365138002900016602204301700231/750 CA/W33

SKF231/750CA/W33球面滚子轴承供应商

八零动力专业销售231/750CA/W33球面滚子轴承,库存SKF231/750CA/W33大量现货,与SKF合作,咨询热线:022-58519723业务咨询
SKF231/750CA/W33这款轴承的运转平稳,几乎听不到任何噪音,令人惊艳它的微观表面处理,减少了摩擦和磨损 顺滑无声开启顺畅运行新时代,卓越的性能表现,使这款轴承在市场上拥有良好的口碑它的精密设计,展现了人类智慧的巅峰 ,八零动力SKF球面滚子轴承品种全,价格优,质量有保证!

用户关注最多的SKF轴承型号

SKF16002/HR22T2 SKF71907FB/P7 SKF7308B/DT SKFCR100X130X12HMSA10V SKFCR3044 SKFCR4350565 SKFCRMVR1-80 SKFFSYE2.1/2H-18 SKFFY2.1/4TF/AH SKFGE200ES-2RS SKFNNU4152K30M/W33 SKFNJ2326E+HJ2326E SKFPWM253040 SKFRNA4910.2RS SKFSY1.1/2TF/VA201

231/750CA/W33球面滚子轴承近似的SKF轴承型号

SKF23122CCK/W33+AHX3122* SKF231/1000CAK/W33+OH31/1000H SKF22315EK* SKF23188CAK/W33* SKF23144CCK/W33+OH3144H* SKF23138CCK/W33+AH3138G* SKF23130CCK/W33+AHX3130G* SKF23134-2CS5K/VT143* SKF22317EKJA/VA405* SKF23134CCK/W33* SKF231/750CAK/W33 SKF231/800CAK/W33+AOH31/800

用户关注最多的轴承狗热门型号

FAG  2216-K-TVH-C3 TIMKEN  441/432AB NACHI  460KBD030 国产  3212A-2ZTN1 SKF  CR30X62X7HMS5RG INA  PAGBAO12-PP-AS TORRINGTON  AS7095 NTN  7208C/DF RIV  N2217 国产  7213ACM INA  RSRB13-117-L0 KOYO  NU2322 FAG  22315-E1 TIMKEN  2875/02823D/X3S-02875 IKO  LRXG85

版权所有©2009-2015 轴承狗zcgou.com ICP备案:津ICP备14004550号-13