SKF23144-2CS5/VT143*轴承详细参数

发布时间:2026-04-14
球面滚子轴承, 圆柱和圆锥孔, 圆柱型内孔, 两面密封件
主要数据尺寸 基本负荷额定值 疲劳负荷限值 额定速度 体积 型号
动态 静态 参照速度 限制速度
d D B C C0 Pu * - SKF Explorer 轴承
mm kN kN r/min kg -
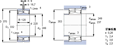
22037012018002750232-36053,523144-2CS5/VT143 *

SKF23144-2CS5/VT143*球面滚子轴承供应商

八零动力专业销售23144-2CS5/VT143*球面滚子轴承,库存SKF23144-2CS5/VT143*大量现货,与SKF合作,咨询热线:022-58519723业务咨询
SKF23144-2CS5/VT143*精湛的制造工艺赋予了这款轴承卓越的性能和品质 这款轴承的精度极高,能够满足对精度要求苛刻的设备轴承的精度极高,使得设备的运行误差被控制在极小范围内这款轴承的运转十分平稳,几乎感受不到任何震动不得不说,这款轴承的品质过硬,在行业内堪称典范,它的模块化设计,让安装和更换变得轻松便捷 ,八零动力SKF球面滚子轴承品种全,价格优,质量有保证!

用户关注最多的SKF轴承型号

SKF22318EK+AHX2318* SKF23136CCK/W33 SKF2x7319BECBP* SKF71813ACD/HCP4 SKF7200C/DT SKF7208BEM SKFIR200x220x50 SKFL183448/410 SKFN2308 SKFNK65/35 SKFNNF5006ADA-2LSV SKFOKBS118 SKFS7016ACD/P4A SKFSNP3068x12.7/16 SKFSYE1.11/16H-3

23144-2CS5/VT143*球面滚子轴承近似的SKF轴承型号

SKF23144CC/W33* SKF23144CCK/W33* SKF23144CCK/W33+AOH3144* SKF23144-2CS5/VT143* SKF23144CCK/W33+OH3144H* SKF23144-2CS5K/VT143* SKF23144-2CS5K/VT143* SKF23144CCK/33+H3144

用户关注最多的轴承狗热门型号

LYC  6311 E-Z LYC  16004/P5 SKF  1203K+H203 KOYO  6028-Z NSK  ZM-UCP212D1 TIMKEN  L68149/L68110 MAC  NJ236 INA  W32 MRC  7011AC/DT STEYR  16022 SKF  NU318ECM* BARDEN  7232AC/DT TIMKEN  M804049/M804010 NTN  NUP418 NTN  NU1017

版权所有©2009-2015 轴承狗zcgou.com ICP备案:津ICP备14004550号-13