SKF231/670CAK/W33+OH31/670H轴承详细参数

发布时间:2026-05-30
球面滚子轴承, 带紧定套的
主要数据尺寸 基本负荷额定值 疲劳负荷限值 额定速度 体积 型号
动态 静态 参照速度 限制速度 轴承 + 紧定套
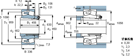
d1 D B C C0 Pu
mm kN kN r/min kg -
6301090336109002240013702405001510231/670 CAK/W33 + OH 31/670 H

SKF231/670CAK/W33+OH31/670H球面滚子轴承供应商

八零动力专业销售231/670CAK/W33+OH31/670H球面滚子轴承,库存SKF231/670CAK/W33+OH31/670H大量现货,与SKF合作,咨询热线:022-58519723业务咨询
SKF231/670CAK/W33+OH31/670H它的密封性能,完美抵御灰尘和杂质的侵袭 它的长寿命,减少了资源浪费 它的质量卓越,为机械设备的安全运行保驾护航它的润滑技术,让摩擦降至最低 要设备更出色轴承的精度极高,使得设备的运行误差被控制在极小范围内,八零动力SKF球面滚子轴承品种全,价格优,质量有保证!

用户关注最多的SKF轴承型号

SKF241/560ECK30J/W33+AOH241/560G* SKF32017T66X/QDBC280 SKF320/28 SKF3205A-Z SKF3312A-2Z SKF7015CE/P4A SKF7340B/DT SKFBC4-8015/HB1 SKFBT4B334015BG/HA1VA901 SKFCR32X45X8HMS5V SKFCR596415 SKFFSAF22217 SKFNNU41/1000K30M/W33 SKFNU305ECP SKFQJ1252MA

231/670CAK/W33+OH31/670H球面滚子轴承近似的SKF轴承型号

SKFBS2-2316-2CS/VT143* SKF22312E* SKF22315EJA/VA405* SKF22316E* SKF23164CCK/W33+OH3164H* SKF23132CCK/W33+H3132* SKF231/530CAK/W33* SKF23180CAK/W33+OH3180H* SKF23122CCK/W33* SKF23132-2CS5/VT143* SKF231/670CAK/W33+AOH31/670 SKF231/670CAK/W33

用户关注最多的轴承狗热门型号

RHP  71908C SKF  SAF22628x4.13/16 SKF  QJ210MA SKF  71915C/DB SKF  NNU4892/W33 NSK  LM607230 KOYO  LL713049/10 KOYO  48FC33220BW KOYO  NJ2232 LYC  NJ 234 K/P6 NSK  NN3930MB NACHI  7200 LYC  D1797/1000G2 IKO  BA1710Z IKO  LWHT55...B

版权所有©2009-2015 轴承狗zcgou.com ICP备案:津ICP备14004550号-13